TL125K1A MOTORCYCLE, JPN, VIN# TL125-1100001
CARBURETOR
CAMSHAFT + CHAIN TENSIONER + CRANKSHAFT
FUEL TANK + SEAT + AIR CLEANER
FRONT WHEEL + REAR WHEEL
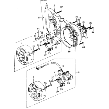
LEFT CRANKCASE COVER + ALTERNATOR
RIGHT CRANKCASE + LEFT CRANKCASE
CYLINDER + CYLINDER HEAD COVER + POINTS
FRAME + WIRE HARNESS + TOOLS
FRONT FORK + FRONT FENDER + STEERING STEM K-K1
GEARSHIFT + TRANSMISSION + KICK STARTER
HANDLEBAR + HANDLE LEVER + CABLE
MUFFLER + STEP + BRAKE PEDAL
OPTIONAL PARTS I
REAR SHOCK ABSORBER + REAR FENDER + SWINGARM
RIGHT CRANKCASE COVER + CLUTCH + OIL PUMP
OPTIONAL PARTS II
Fuel Your Passion
Parts That Keep You Riding
Edit ride