SL70A MOTORCYCLE, JPN, VIN# SL70-1000001
REAR FENDER
CAM CHAIN TENSIONER
CARBURETOR
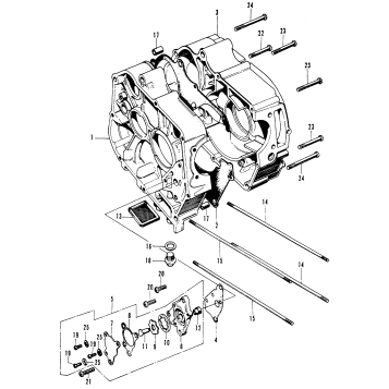
CRANKCASE + OIL PUMP
CAMSHAFT + VALVE
CLUTCH
CRANKSHAFT + PISTON
FUEL TANK
GEARSHIFT
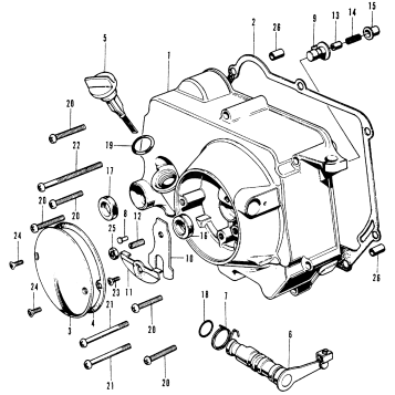
RIGHT CRANKCASE COVER
TRANSMISSION
HANDLEBAR
FRONT WHEEL
MUFFLER
REAR WHEEL
FRONT FORK
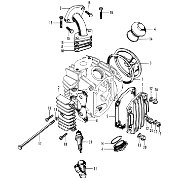
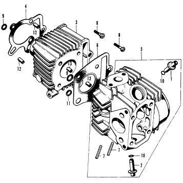
CYLINDER + CYLINDER HEAD
KICK STARTER
SWINGARM + CHAIN CASE
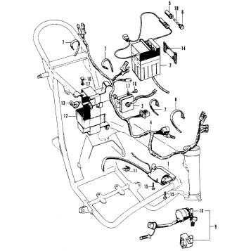
WIRE HARNESS + BATTERY
CHANGE PEDAL + KICK STARTER ARM
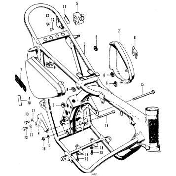
FRAME + SIDE COVER
STEERING STEM + FRONT FENDER
SEAT + AIR CLEANER
CYLINDER HEAD COVER + INLETPIPE + SPARK PLUG
REAR BRAKE + SIDE STAND
SL70 HEADLIGHT + HEADLIGHT CASE
SL70 LEFT CRANKCASE COVER +
SL70 REAR SHOCK ABSORBER
SL70 TAILLIGHT
SWITCHES + CABLE + MIRRORS
Fuel Your Passion
Parts That Keep You Riding
Edit ride