SL100K1A MOTORCYCLE, JPN, VIN# SL100-200001
AIR CLEANER
CARBURETOR
CAMSHAFT + VALVE
CLUTCH
CRANKSHAFT + PISTON
FUEL TANK
GEARSHIFT
TRANSMISSION
TOOL SET
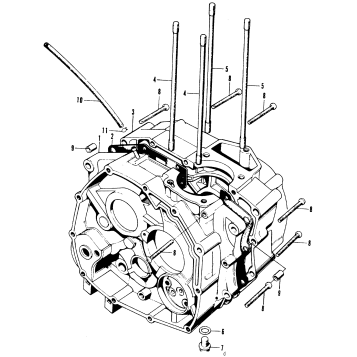
CRANKCASE
FRONT WHEEL
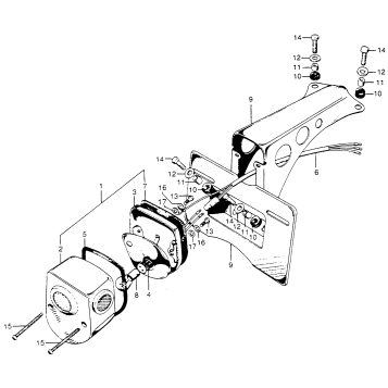
MUFFLER
REAR WHEEL
FRONT FORK
CYLINDER + CYLINDER HEAD
KICK STARTER
SWINGARM + CHAIN CASE
WIRE HARNESS + BATTERY
POINTS + SPARK ADVANCER
CAM CHAIN TENSIONER + OIL FILTER SCREEN
HANDLEBAR + FORK TOP BRIDGE
LEFT CRANKCASE COVER + ALTERNATOR
OIL FILTER ROTOR + OIL PUMP
RIGHT CRANKCASE COVER + CLUTCH LEVER
STEERING STEM + FRONT FENDER
TURN SIGNAL + LIGHTING SWITCH + CABLE
HEADLIGHT + HEADLIGHT CASE
TAILLIGHT K0-K1
FRAME K0-K1
KICK STARTER ARM + CHANGE PEDAL
REAR SHOCK ABSORBER K0-K1
SEAT + REAR FENDER + SIDE COVER
SPEEDOMETER K2
STEP BAR + SIDE STAND + BRAKEPEDAL
Fuel Your Passion
Parts That Keep You Riding
Edit ride