- Partiron
- OEM Parts
- Honda
- MOTORCYCLE
- Models With No Year
- SL100K1A MOTORCYCLE, JPN, VIN# SL100-200001
SWINGARM + CHAIN CASE
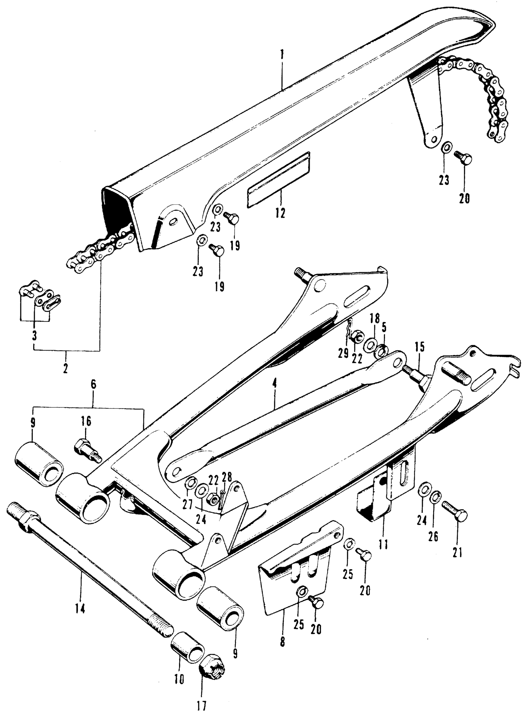
Honda SL100K1A MOTORCYCLE, JPN, VIN# SL100-200001 SWINGARM + CHAIN CASE Diagram
#
Description
Price
1
CASE, DRIVE CHAIN (NOT AVAILABLE)
40510-110-010
Unavailable
2
CHAIN, DRIVE (DK428-104L) | Use up to Frame SN 206799
40530-110-671
Unavailable
2
CHAIN, DRIVE (DK428H-108L) (NOT AVAILABLE)
40530-110-771
Unavailable
3
MASTER LINK (NOT AVAILABLE) | Use up to Frame SN 206799
40531-028-003
Unavailable
3
MASTER LINK (DAIDO) | Use up to Frame SN 206800 This part replaces 40531-355-003.
40531-355-013
$4.15
4
ARM, RR. BRAKE STOPPER (NOT AVAILABLE)
43431-107-010
Unavailable
6
SWINGARM, RR. (PRIMER) (NOT AVAILABLE)
52100-110-670Z
Unavailable
6
SWINGARM *NH1* (BLACK)
52100-331-770B
Unavailable
10
COLLAR, RR. SWINGARM PIVOT BOLT DISTANCE (NOT AVAILABLE)
52145-331-000
Unavailable
11
GUARD, DRIVE CHAIN (NOT AVAILABLE)
52156-074-000
Unavailable
14
BOLT, SWINGARM PIVOT (NOT AVAILABLE)
90121-331-000
Unavailable
16
BOLT, RR. BRAKE STOPPER ARM
90133-028-010
Unavailable
