CL200A MOTORCYCLE, JPN, VIN# CL200-1000001
CARBURETOR
RIGHT CRANKCASE COVER + CLUTCH
CRANKSHAFT + PISTON
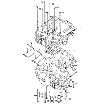
CRANKCASE
CYLINDER + CYLINDER HEAD
TURN SIGNAL + TAILLIGHT
LEFT CRANKCASE COVER + ALTERNATOR
FRAME + TOOLS + WIRE HARNESS
HANDLEBAR + CABLE
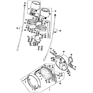
HEADLIGHT + SPEEDOMETER + TACHOMETER
REAR SHOCK ABSORBER + SWINGARM + REAR FENDER
STEERING STEM + FRONT FENDER + FRONT FORK
TRANSMISSION + GEARSHIFT DRUM
CL FRONT WHEEL + REAL WHEEL
CL FUEL TANK + SEAT + AIR CLEANER
CL MUFFLER + STAND + PEDAL
Fuel Your Passion
Parts That Keep You Riding
Edit ride