CB125S1A MOTORCYCLE, JPN, VIN# CB125S-1100001
FRAME
AIR CLEANER + TOOL BOX
CARBURETOR
CAMSHAFT + VALVE
CLUTCH
CRANKSHAFT + PISTON
FUEL TANK
GEARSHIFT
TRANSMISSION
TOOL SET
MUFFLER
REAR WHEEL
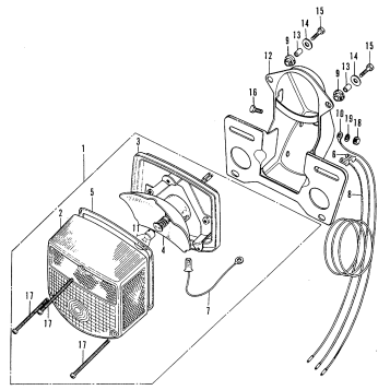
TAILLIGHT
FRONT FORK
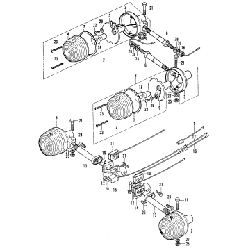
TURN SIGNAL
CYLINDER + CYLINDER HEAD
SWINGARM + CHAIN CASE
WIRE HARNESS + BATTERY
MAIN STAND + STEP BAR
POINTS
CAM CHAIN TENSIONER + OIL FILTER SCREEN
HANDLEBAR + FORK TOP BRIDGE
LEFT CRANKCASE COVER + ALTERNATOR
OIL FILTER ROTOR + OIL PUMP
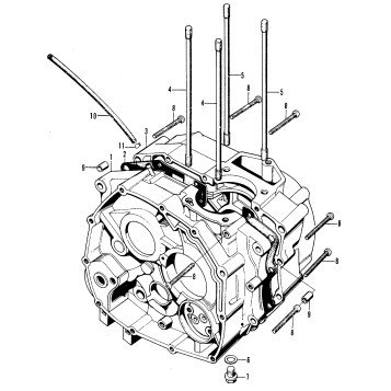
RIGHT & LEFT CRANKCASE
RIGHT CRANKCASE COVER + CLUTCH LEVER
SEAT + REAR FENDER
STEERING STEM + FRONT FENDER
HEADLIGHT + HEADLIGHT CASE
FRONT WHEEL + DISC S1-S2
REAR SHOCK ABSORBER S-S1
SIDE COVER
SPEEDOMETER S1-S2
SWITCHES + CABLE S-S1
Fuel Your Passion
Parts That Keep You Riding
Edit ride