CA175A MOTORCYCLE, JPN, VIN# CD175-1000001
ALTERNATOR + STARTER MOTOR
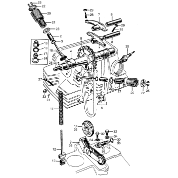
CAMSHAFT + VALVE
CRANKSHAFT
CYLINDER + CYLINDER HEAD
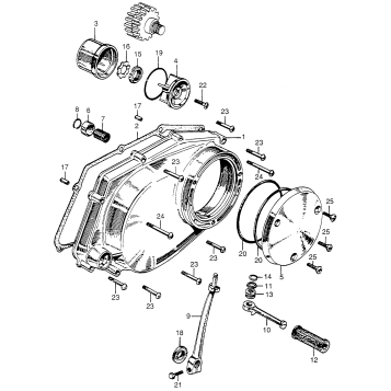
CLUTCH ADJUSTER + LEFT CRANKCASE COVER
LOWER CRANKCASE + KICK STARTER
POINTS + SPARK ADVANCER
UPPER CRANKCASE + SHIFT DRUM
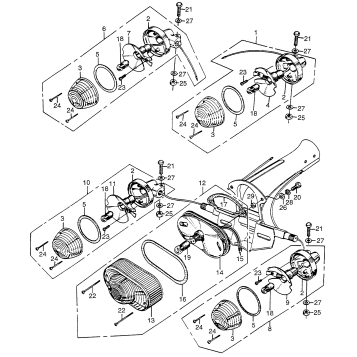
CA175 AIR CLEANER + TOOL
CA175 CARBURETOR
CA175 FRAME
CA175 FRONT FORK
CA175 FRONT WHEEL
CA175 FUEL TANK
CA175 HANDLEBAR
CA175 HEADLIGHT
CA175 MUFFLER
CA175 REAR SHOCK ABSORBER
CA175 REAR WHEEL
CA175 SEAT
CA175 STAND + STEP
CA175 STEERING STEM + FRONT FENDER
CA175 SWINGARM + REAR FENDER
CA175 SWITCH
CA175 TRANSMISSION
CA175 TURN SIGNAL + TAILLIGHT
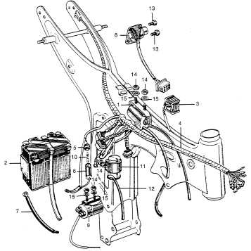
CA175 WIRE HARNESS + BATTERY
CLUTCH + OIL PUMP
DRAIN VALVE
GASKET SET A
GASKET SET B
RIGHT CRANKCASE COVER + OILFILTER
Fuel Your Passion
Parts That Keep You Riding
Edit ride