- Partiron
- OEM Parts
- Honda
- MOTORCYCLE
- Models With No Year
- CA175A MOTORCYCLE, JPN, VIN# CD175-1000001
CA175 TRANSMISSION
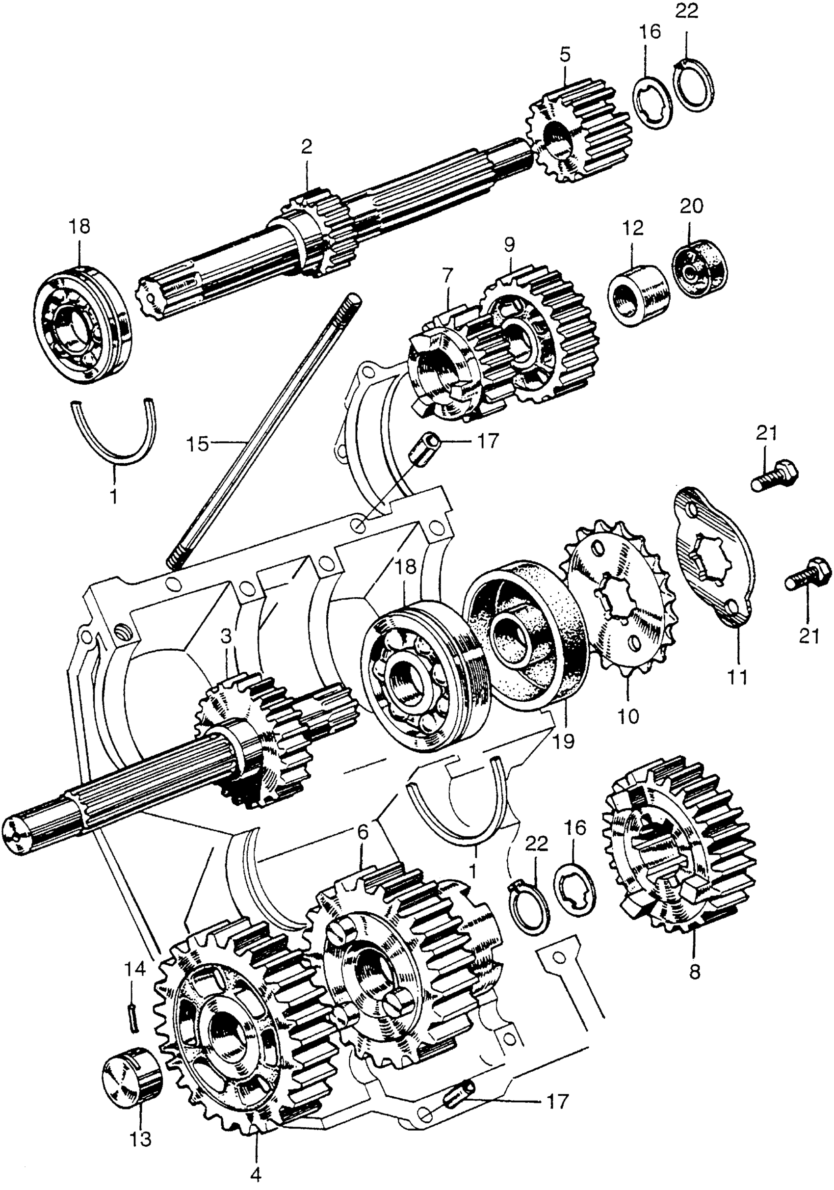
Honda CA175A MOTORCYCLE, JPN, VIN# CD175-1000001 CA175 TRANSMISSION Diagram
#
Description
Price
1
RING A, BALL BEARING SET (NOT AVAILABLE)
13495-200-000
Unavailable
2
MAINSHAFT, TRANSMISSION (NOT AVAILABLE)
23211-216-020
Unavailable
3
COUNTERSHAFT, TRANSMISSION (26T) (NOT AVAILABLE)
23221-216-010
Unavailable
4
GEAR, LOW COUNTERSHAFT (36T) (NOT AVAILABLE)
23420-216-000
Unavailable
5
GEAR, SECOND MAINSHAFT (18T) (NOT AVAILABLE)
23431-216-000
Unavailable
6
GEAR, SECOND COUNTERSHAFT (32T) (NOT AVAILABLE)
23441-216-010
Unavailable
7
GEAR, THIRD MAINSHAFT (22T)
23451-216-010
Unavailable
8
GEAR, THIRD COUNTERSHAFT (18T) (NOT AVAILABLE)
23460-216-000
Unavailable
9
GEAR, FOURTH MAINSHAFT (25T) (NOT AVAILABLE)
23471-216-000
Unavailable
10
SPROCKET, DRIVE (NOT AVAILABLE) This part replaces 23801-216-811.
23801-216-812
Unavailable
10
SPROCKET, DRIVE (NOT AVAILABLE)
23801-216-812
Unavailable
12
BUSHING A, BEARING (15MM) (NOT AVAILABLE)
23931-216-000
Unavailable
13
BUSHING B, BEARING (15MM) (NOT AVAILABLE)
23932-246-000
Unavailable
15
BOLT, STUD (8X152) (NOT AVAILABLE)
90061-216-000
Unavailable
16
WASHER A, THRUST (20MM) (NOT AVAILABLE)
90451-230-000
Unavailable
18
BEARING, BALL (6304HS)
91003-235-000
Unavailable
19
OIL SEAL (20X52X9) (NOT AVAILABLE) This part replaces 91201-216-000.
91201-216-005
Unavailable
19
OIL SEAL (20X52X9) (NOT AVAILABLE)
91201-216-005
Unavailable
