- Partiron
- OEM Parts
- Honda
- MOTORCYCLE
- Models With No Year
- CA175A MOTORCYCLE, JPN, VIN# CD175-1000001
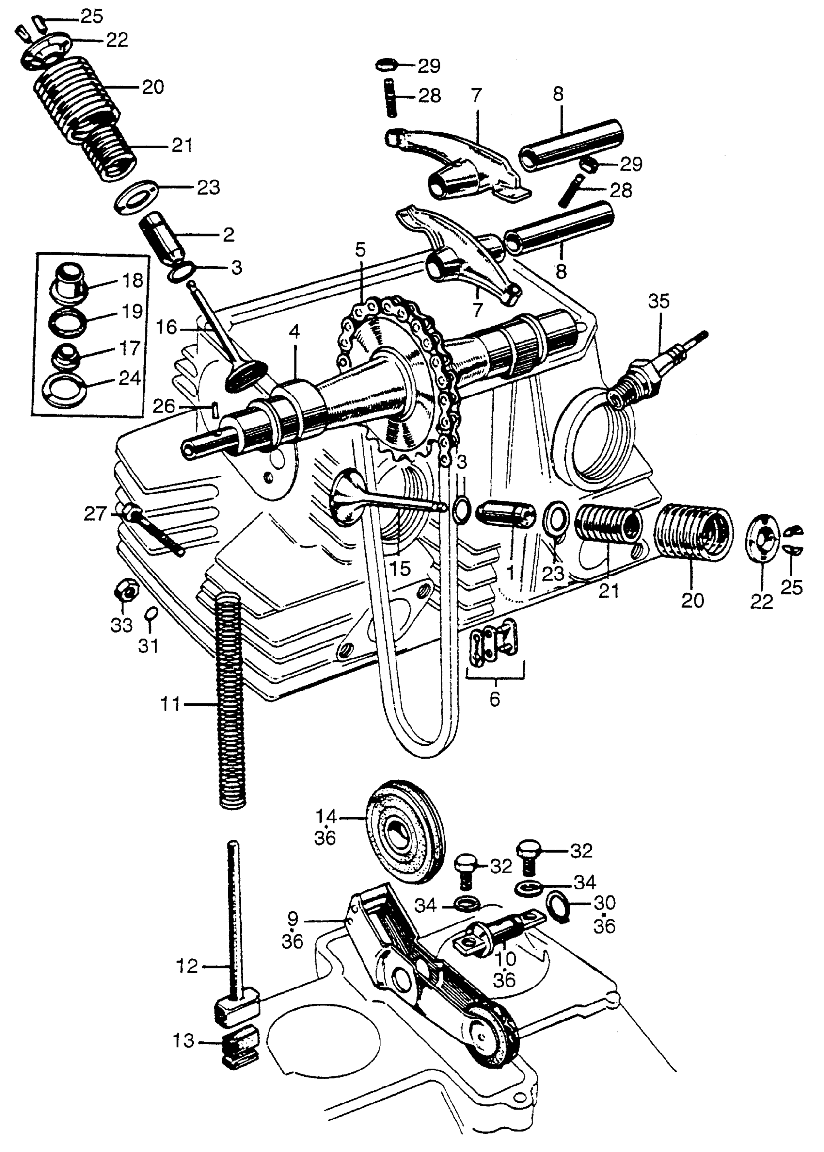
CAMSHAFT + VALVE
Honda CA175A MOTORCYCLE, JPN, VIN# CD175-1000001 CAMSHAFT + VALVE Diagram
#
1
GUIDE, VALVE (NOT AVAILABLE)
12021-216-000
Unavailable
2
GUIDE, EX. VALVE (NOT AVAILABLE)
12023-235-310
Unavailable
3
CLIP, VALVE GUIDE (NOT AVAILABLE)
12253-200-300
Unavailable
4
CAMSHAFT (NOT AVAILABLE) | Use up to Engine SN 1004557 This part replaces 14100-237-010.
14100-237-020
Unavailable
4
CAMSHAFT (NOT AVAILABLE) | Use from Engine SN 1021668
14100-237-020
Unavailable
5
CHAIN, CAM (DK219H-82L) (NOT AVAILABLE)
14410-235-003
Unavailable
6
JOINT, CAM CHAIN (DK219)
14411-235-003
Unavailable
7
ARM, VALVE ROCKER This part replaces 14431-216-000.
14431-216-010
Unavailable
7
ARM, VALVE ROCKER
14431-216-010
Unavailable
8
SHAFT, ROCKER ARM (NOT AVAILABLE)
14451-216-010
Unavailable
9
TENSIONER, CAM CHAIN (NOT AVAILABLE)
14501-216-000
Unavailable
10
PIN, CAM CHAIN GUIDE ROLLER (NOT AVAILABLE)
14503-216-000
Unavailable
11
SPRING, CAM CHAIN TENSIONER
14541-235-000
Unavailable
12
BAR, TENSIONER (NOT AVAILABLE)
14550-216-020
Unavailable
13
RUBBER, CAM CHAIN TENSIONER PUSH (NOT AVAILABLE)
14556-216-020
Unavailable
14
ROLLER, CAM CHAIN GUIDE (NOT AVAILABLE)
14610-235-000
Unavailable
15
VALVE, IN. (NOT AVAILABLE)
14711-235-010
Unavailable
16
VALVE, EX.
14721-302-010
Unavailable
18
CAP, VALVE STEM SEAL (NOT AVAILABLE)
14731-235-305
Unavailable
19
CUSHION, STEM SEAL RUBBER (NOT AVAILABLE)
14733-235-305
Unavailable
20
SPRING, VALVE (OUTER) (NOT AVAILABLE)
14751-235-010
Unavailable
21
SPRING, VALVE (INNER) (NOT AVAILABLE)
14761-235-010
Unavailable
22
RETAINER, VALVE SPRING (NOT AVAILABLE)
14771-011-000
Unavailable
23
SEAT, VALVE SPRING (NOT AVAILABLE)
14775-235-000
Unavailable
24
SEAL (INNER) (NOT AVAILABLE) This part replaces 14776-235-305.
14776-235-690
Unavailable
27
BOLT, TENSIONER SET (NOT AVAILABLE) | Use up to Engine SN 1021667
90009-216-020
Unavailable
27
BOLT, TENSIONER SETTING (NOT AVAILABLE) | Use from Engine SN 1021668
90009-235-000
Unavailable
29
NUT, TAPPET ADJUSTING | Use from Engine SN 1021668 This part replaces 90206-246-000.
90206-KM3-000
$1.49
30
CIRCLIP (12MM) (NOT AVAILABLE)
90603-200-000
Unavailable
31
O-RING (3.4X1.2)
91303-216-000
Unavailable
33
NUT, HEX. (5MM) | Use up to Engine SN 1021667 This part replaces 94001-05000.
94001-05000-0S
$2.74
36
TENSIONER ASSY., CAM CHAIN (NOT AVAILABLE)
14500-216-000
Unavailable
