CA100A MOTORCYCLE, JPN, VIN# CA100-100001
FRAME
CAMSHAFT + VALVE + OIL PIPE
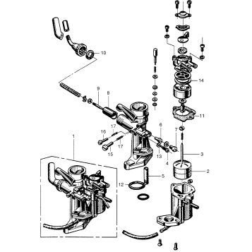
CARBURETOR
FRONT FORK + FRONT FENDER
CRANKSHAFT + PISTON
HANDLEBAR
FRONT SHOCK ABSORBER
FRONT WHEEL
REAR SHOCK ABSORBER
REAR WHEEL
TAILLIGHT
CYLINDER + CYLINDER HEAD
SWINGARM + CHAIN CASE
FUEL TANK + SEAT
CLUTCH + RIGHT CRANKCASE COVER
DIMMER SWITCH
FRONT COVER + AIR CLEANER + TOOLS
GASKET SET
GEAR CHANGE + RIGHT CRANKCASE
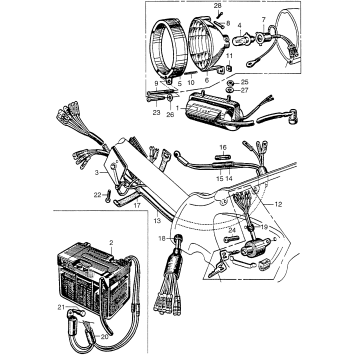
HEADLIGHT + BATTERY + WIRE HARNESS
MAIN STAND + MUFFLER
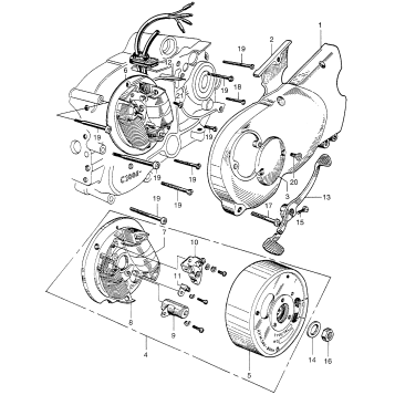
POINTS + LEFT CRANKCASE COVER
SEAT + PILLION STEP
SHIFT DRUM
STOP SWITCH
TRANSMISSION + LEFT CRANKCASE
TURN SIGNAL + TAILLIGHT
Fuel Your Passion
Parts That Keep You Riding
Edit ride