- Partiron
- OEM Parts
- Honda
- MOTORCYCLE
- Models With No Year
- CA100A MOTORCYCLE, JPN, VIN# CA100-100001
FRONT COVER + AIR CLEANER + TOOLS
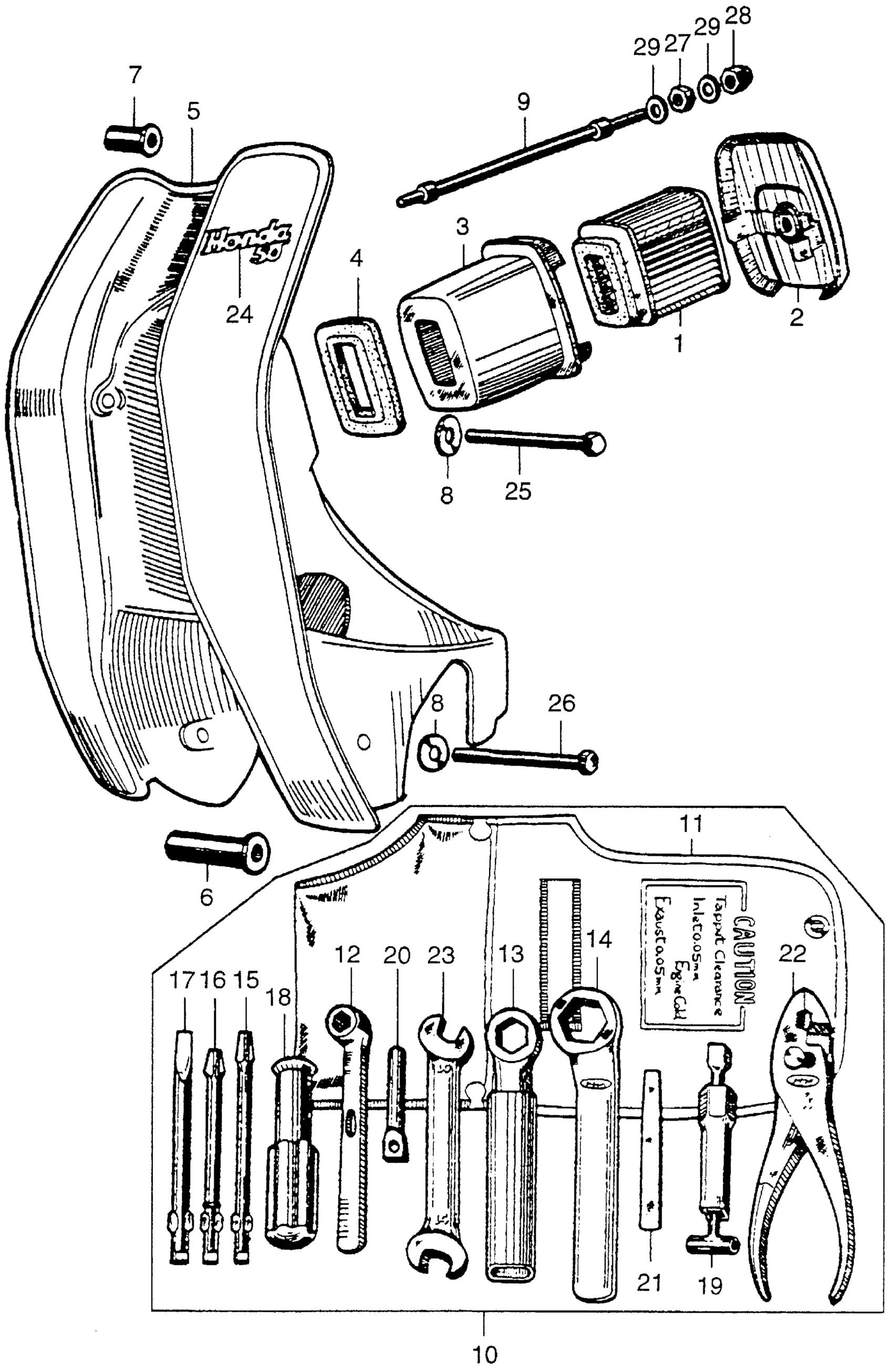
Honda CA100A MOTORCYCLE, JPN, VIN# CA100-100001 FRONT COVER + AIR CLEANER + TOOLS Diagram
#
1
ELEMENT, AIR CLEANER (NOT AVAILABLE)
17211-001-020
Unavailable
2
COVER, AIR CLEANER (NOT AVAILABLE) This part replaces 17220-001-020.
17220-041-000
Unavailable
2
COVER, AIR CLEANER (NOT AVAILABLE)
17220-041-000
Unavailable
3
HOUSING, AIR CLEANER *NH1* (BLACK) (NOT AVAILABLE) This part replaces 17221-001-020A.
17221-041-010B
Unavailable
3
HOUSING, AIR CLEANER *NH1* (BLACK) (NOT AVAILABLE) This part replaces 17221-001-020B.
17221-041-010B
Unavailable
3
HOUSING, AIR CLEANER *NH1* (BLACK) (NOT AVAILABLE) This part replaces 17221-001-020C.
17221-041-010B
Unavailable
3
HOUSING, AIR CLEANER *NH1* (BLACK) (NOT AVAILABLE) This part replaces 17221-001-020Q.
17221-041-010B
Unavailable
3
HOUSING, AIR CLEANER *NH1* (BLACK) (NOT AVAILABLE) This part replaces 17221-001-020XB.
17221-041-010B
Unavailable
3
HOUSING, AIR CLEANER *NH1* (BLACK) (NOT AVAILABLE)
17221-041-010B
Unavailable
4
GASKET, AIR CLEANER (NOT AVAILABLE)
17252-001-010
Unavailable
5
COVER, FR. *NH0* (CHAMPIONSHIP WHITE) (NOT AVAILABLE)
64301-001-020A
Unavailable
5
COVER, FR. *Y1* (IVORY YELLOW) (NOT AVAILABLE)
64301-001-020R
Unavailable
5
COVER, FR. (NOT AVAILABLE)
64301-001-020XG
Unavailable
6
COLLAR A, FR. COVER MOUNT This part replaces 64345-001-010.
64345-001-163
Unavailable
6
COLLAR A, FR. COVER MOUNT
64345-001-163
Unavailable
7
COLLAR B, FR. COVER SETTING (NOT AVAILABLE)
64346-001-010
Unavailable
9
BOLT, AIR CLEANER SETTING (NOT AVAILABLE) | Use up to Frame SN 0031700
90113-001-020
Unavailable
9
BOLT, AIR CLEANER SETTING (NOT AVAILABLE) | Use from Frame SN 0031701 to 0180514
90113-001-030
Unavailable
9
BOLT, AIR CLEANER SETTING | Use from Frame SN 0180515
90113-001-040
Unavailable
10
TOOL SET (NOT AVAILABLE)
89010-001-000
Unavailable
12
WRENCH, BOX (9MM) (NOT AVAILABLE)
89211-001-000
Unavailable
14
WRENCH, BOX (23MM) (NOT AVAILABLE)
89214-001-000
Unavailable
19
WRENCH, SPARK PLUG
89216-001-000
Unavailable
19
WRENCH, SPARK PLUG
89216-041-000
Unavailable
19
WRENCH, SPARK PLUG
89216-041-010
Unavailable
20
WRENCH, SOCKET (3MM)
89215-001-000
Unavailable
20
WRENCH, SOCKET (3MM) (NOT AVAILABLE)
89215-107-000
Unavailable
21
GAUGE, TAPPET CLEARANCE
89231-001-000
Unavailable
24
EMBLEM, FR. COVER (NOT AVAILABLE)
87102-001-640
Unavailable
25
BOLT, HEX. (6X35) (NOT AVAILABLE)
92000-06035-02
Unavailable
26
BOLT, HEX. (6X75) (NOT AVAILABLE)
92000-06075-02
Unavailable
