ATC90A ALL-TERRAIN, JPN, VIN# US90-100122
AIR CLEANER
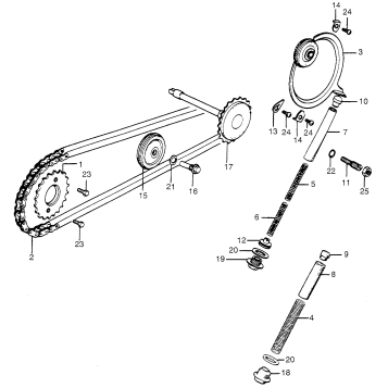
CAM CHAIN + TENSIONER
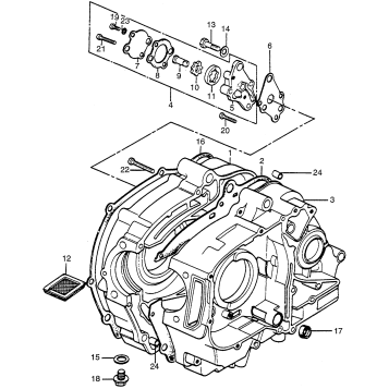
CRANKCASE + OIL PUMP
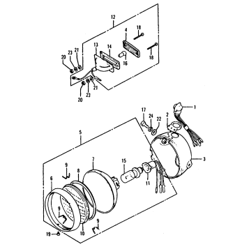
HEADLIGHT + TAILLIGHT
BRAKE + REAR HUB
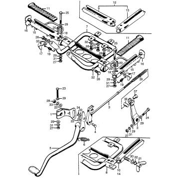
BRAKE PEDAL + STEP BAR K-K1
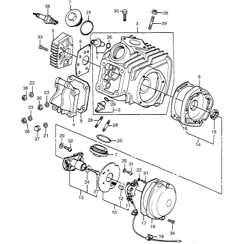
CAMSHAFT + VALVE
CARBURETOR + INLET PIPE
CHAIN + CHAIN CASE
CLUTCH
CRANKSHAFT + PISTON
CYLINDER
CYLINDER HEAD + CYLINDER HEAD COVER
FRAME + MUFFLER K-K1
FRONT FORK + FRONT FENDER K-K1
FRONT WHEEL + AXLE
FUEL TANK
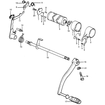
GEARSHIFT
HANDLEBAR + CABLES + CONTROL LEVERS
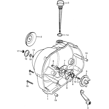
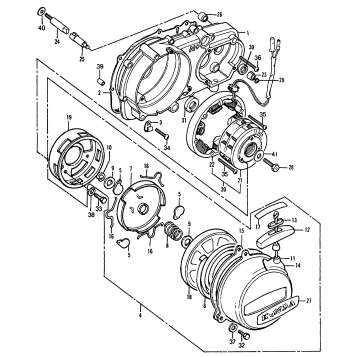
LEFT CRANKCASE COVER + ALTERNATOR + STARTER
OPTIONAL PARTS
REAR WHEEL + AXLE
RIGHT CRANKCASE COVER
SEAT + FRAME COVER K-K1
SUB-TRANSMISSION
TOOLS
TRANSMISSION
Fuel Your Passion
Parts That Keep You Riding
Edit ride