- Partiron
- OEM Parts
- Honda
- ALL-TERRAIN VEHICLE
- Models With No Year
- ATC90A ALL-TERRAIN, JPN, VIN# US90-100122
FRAME + MUFFLER K-K1
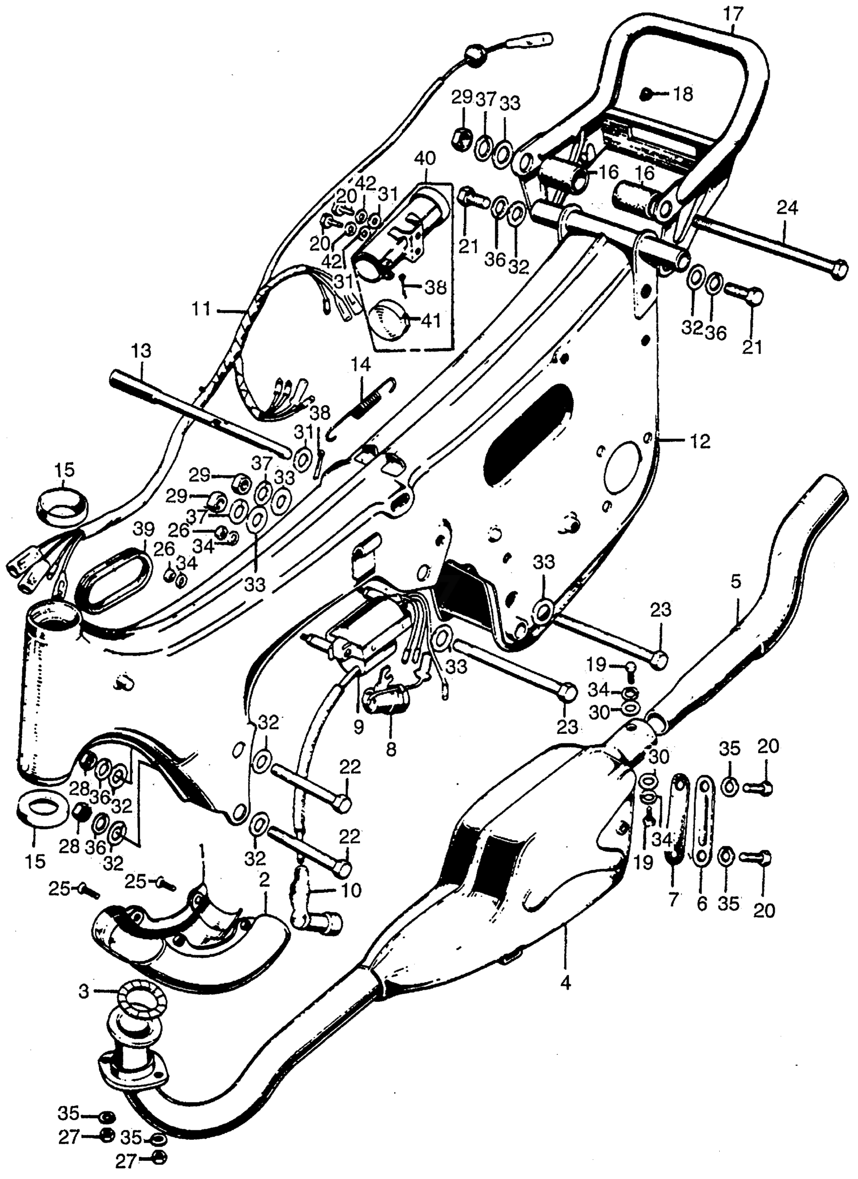
Honda ATC90A ALL-TERRAIN, JPN, VIN# US90-100122 FRAME + MUFFLER K-K1 Diagram
#
Description
Price
1
COVER A, EX. PIPE *MRCR2* (CHROME PLATING) (NOT AVAILABLE)
18241-918-670XW
Unavailable
2
COVER B, EX. PIPE *MRCR2* (CHROME PLATING) (NOT AVAILABLE)
18242-918-670XW
Unavailable
4
MUFFLER, EX. (NOT AVAILABLE) This part replaces 18300-918-305.
18300-918-306
Unavailable
4
MUFFLER, EX. (NOT AVAILABLE)
18300-918-306
Unavailable
5
PIPE, DIFFUSER (NOT AVAILABLE)
18311-918-672
Unavailable
6
LID, MUFFLER This part replaces 18373-310-000.
18373-446-010
Unavailable
6
LID, MUFFLER This part replaces 18373-446-000.
18373-446-010
Unavailable
6
LID, MUFFLER
18373-446-010
Unavailable
7
GASKET, MUFFLER
18374-KR8-900
Unavailable
7
GASKET, MUFFLER This part replaces 18374-310-000.
18374-KR8-900
Unavailable
9
COIL ASSY., IGNITION
30500-918-405
Unavailable
9
COIL ASSY., IGNITION This part replaces 30500-918-670.
30500-918-405
Unavailable
11
WIRE HARNESS (NOT AVAILABLE)
32100-918-673
Unavailable
12
FRAME *NH1* (BLACK)
50010-918-670B
Unavailable
14
SPRING, COVER SETTING (NOT AVAILABLE)
50222-918-000
Unavailable
16
RUBBER, SEAT MOUNTING
50801-918-000
Unavailable
17
PIPE, CARRIER *MRCR2* (CHROME PLATING) (NOT AVAILABLE)
81200-918-010XW
Unavailable
18
GROMMET, SUN VISOR (NOT AVAILABLE)
88221-538-000
Unavailable
19
BOLT, HEX. (5X8) This part replaces 92000-05008-0B.
92101-05008-0B
Unavailable
22
BOLT, HEX. (8X63) (NOT AVAILABLE) This part replaces 92100-08063-0A.
92200-08063-0A
Unavailable
24
BOLT, HEX. (10X180)
90196-918-000
Unavailable
39
GROMMET, WIRE HARNESS (NOT AVAILABLE)
32984-918-000
Unavailable
40
BOX ASSY., TOOL (NOT AVAILABLE) This part replaces 89500-918-000.
89500-943-000
Unavailable
40
BOX ASSY., TOOL (NOT AVAILABLE)
89500-943-000
Unavailable
41
CAP, TOOL BOX *NH1* (BLACK) (NOT AVAILABLE)
89502-918-000B
Unavailable
