MAGNUM 330 4X4 - A03CD32AA/AB/AC/FB
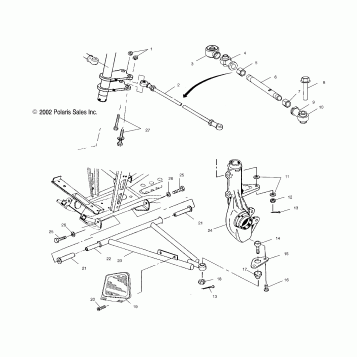
A-ARM/STRUT MOUNTING - A03CD32AA/AB/AC/FB (4975217521C01)
AIR BOX - A03CD32AA/AB/AC/FB (4975217521B05)
CARBURETOR - A03CD32AA/AB/AC/FB (4978627862C09)
CLUTCH COVER - A03CD32AA/AB/AC/FB (4975217521C05)
CONTROLS-MASTER CYLINDER/BRAKE LINE - A03CD32AA/AB/AC/FB (4975217521A08)
CONTROLS-THROTTLE ASM/CABLE - A03CD32AA/AB/AC/FB (4986268626B13)
CRANKCASE - A03CD32AA/AB/AC/FB (4999201699920169C12)
CRANKSHAFT and PISTON - A03CD32AA/AB/AC/FB (4999201699920169D02)
CYLINDER - A03CD32AA/AB/AC/FB (4975217521D04)
DECALS - A03CD32AA/AB/AC/FB (4975217521A12)
DRIVE CLUTCH - A03CD32AA/AB/AC/FB (4975217521C02)
DRIVE SHAFT - A03CD32AA/AB/AC (4975217521B06)
DRIVE SHAFT - A03CD32FB (4975217521B07)
DRIVEN CLUTCH - A03CD32AA/AB/AC (4975217521C03)
DRIVEN CLUTCH - A03CD32FB (4999201699920169B13)
ELECTRICAL/TAILLIGHT - A03CD32AA/AB/AC/FB (4975217521C06)
ENGINE MOUNTING - A03CD32AA/AB/AC/FB (4975217521B01)
EXHAUST SYSTEM - A03CD32AA/AB/AC/FB (4999201699920169B02)
FRONT BRAKE - A03CD32AA/AB/AC/FB (4986188618B05)
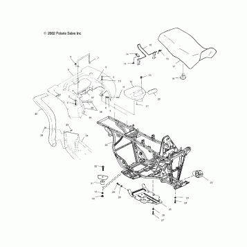
FRONT CAB - A03CD32AA/AB/AC/FB (4975217521A05)
FRONT HOUSING - A03CD32AA/AB/AC (4975217521C08)
FRONT HOUSING - A03CD32FB (4986268626C10)
FRONT PROP SHAFT - A03CD32AA/AB/AC (4975217521B08)
FRONT PROP SHAFT - A03CD32FB (4975217521B09)
FRONT RACK and BUMPER MOUNTING - A03CD32AA/AB/AC/FB (4975217521A07)
FRONT STRUT - A03CD32AA/AB/AC/FB (4964026402B007)
FRONT WHEEL - A03CD32AA/AB/AC/FB (4987318731B07)
FUEL PUMP - A03CD32AA/AB/AC/FB (4999200099920009D11)
FUEL TANK and CARBURETOR MOUNTING - A03CD32AA/AB/AC/FB (4975217521B03)
GEAR SELECTOR - A03CD32AA/AB/AC/FB (4987288728C05)
GEARCASE - A03CD32AA/AB/AC/FB (4994909490C07)
HANDLEBAR - A03CD32AA/AB/AC/FB (4975217521B14)
HOUSING, REAR - A03CD32AA/AB/AC/FB (4999201699920169C07)
INTAKE and EXHAUST - A03CD32AA/AB/AC/FB (4999201699920169D03)
MAGNETO - A03CD32AA/AB/AC/FB (4977487748E01)
OIL COOLING - A03CD32AA/AB/AC/FB (4975217521A13)
OIL PUMP and OIL FILTER - A03CD32AA/AB/AC/FB (4999201699920169D05)
REAR BRAKE - A03CD32AA/AB/AC/FB (4975217521A09)
REAR CAB and SEAT - A03CD32AA/AB/AC/FB (4975217521A03)
REAR RACK MOUNTING - A03CD32AA/AB/AC/FB (4994889488A06)
REAR WHEEL DRIVE - A03CD32AA/AB/AC/FB (4986268626C08)
RECOIL STARTER - A03CD32AA/AB/AC/FB (4999201549920154D04)
SHOCK MOUNTING - A03CD32AA/AB/AC/FB (4999201699920169C10)
STARTING MOTOR - A03CD32AA/AB/AC/FB (4994839483D01)
STEERING POST - A03CD32AA/AB/AC/FB (4999201699920169B09)
SWING ARM/REAR GEARCASE MOUNTING - A03CD32AA/AB/AC/FB (4975217521C14)
TOOL KIT - A03CD32AA/AB/AC/FB (4975217521D14)
TRANSMISSION MOUNTING - A03CD32AA/AB/AC/FB (4975217521D02)
Fuel Your Passion
Parts That Keep You Riding
Edit ride