620 LSE 11LT BLAU <1997>
Special tools (engine)
ENGINE CASE
BALANCER SHAFT
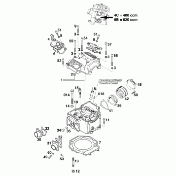
CYLINDER
CRANKSHAFT, PISTON
ENGINE VENT
CARBURETOR
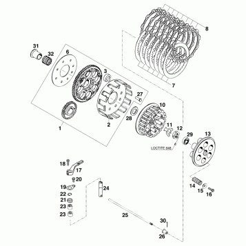
CLUTCH
TRANSMISSION I - MAIN SHAFT
TRANSMISSION II - COUNTERSHAFT
KICK STARTER
SHIFTING MECHANISM
WATER PUMP
COOLING SYSTEM
VALVE DRIVE
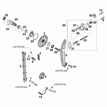
TIMING DRIVE
CYLINDER HEAD
LUBRICATING SYSTEM
IGNITION SYSTEM
ELECTRIC STARTER
Fuel Your Passion
Parts That Keep You Riding
Edit ride