GTX DI, 5649/5659, 2000
01- Cooling System
01- Crankcase, Reed Valve
01- Crankshaft And Pistons
01- Cylinder, Exhaust Manifold
01- Engine Support And Muffler
02- Air Intake System
02- Fuel System
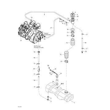
02- Oil Injection System
03- Magneto, Oil Pump
04- Starter
05- Drive System
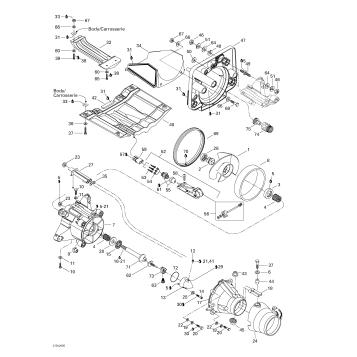
05- Propulsion System
05- Reverse
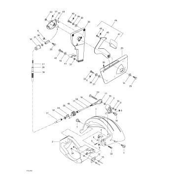
07- Steering System
09- Body, Front View
09- Body, Rear View
09- Decals
09- Front Storage Compartment
09- Seat Rear
10- Electrical Harness
10- Electronic Module And Electrical Accessories
10- Rear Electrical Box
10- Typical Electrical Connections
Fuel Your Passion
Parts That Keep You Riding
Edit ride