GTI, 2003
01- Cooling System
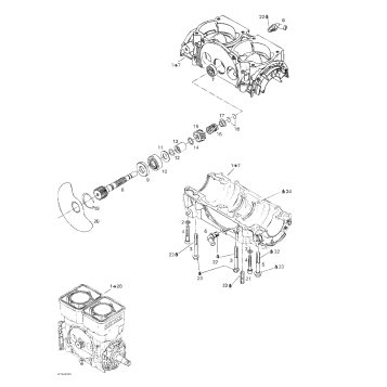
01- Crankcase, Rotary Valve
01- Crankshaft And Pistons
01- Cylinder, Exhaust Manifold
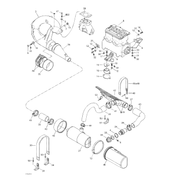
01- Engine Support And Muffler
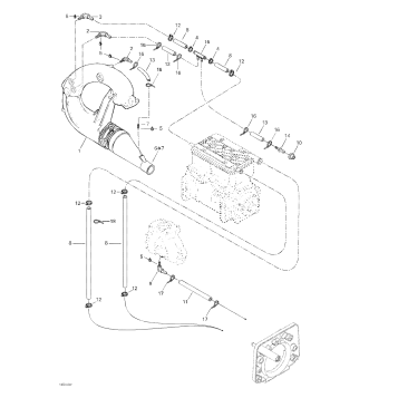
02- Air Intake System
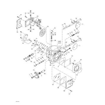
02- Carburetor(s)
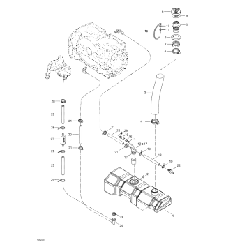
02- Fuel System
02- Oil Injection System
02- Oil Injection System, Oil Pump, Rotary Valve
03- Magneto
04- Starter
05- Drive System
05- Propulsion System
05- Reverse
07- Off Power Assisted Steering
07- Steering System
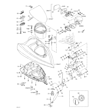
09- Body, Front View
09- Body, Rear View
09- Decals
09- Front Storage Compartment
09- Front Tray
09- Seat
10- Electrical Accessories
10- Electrical System
10- Rear Electrical Box
10- Typical Electrical Connections
Fuel Your Passion
Parts That Keep You Riding
Edit ride