- Partiron
- OEM Parts
- Sea-doo
- Watercraft
- 2003
- GTI
- GTI LE, 2003
Carburetor(s)
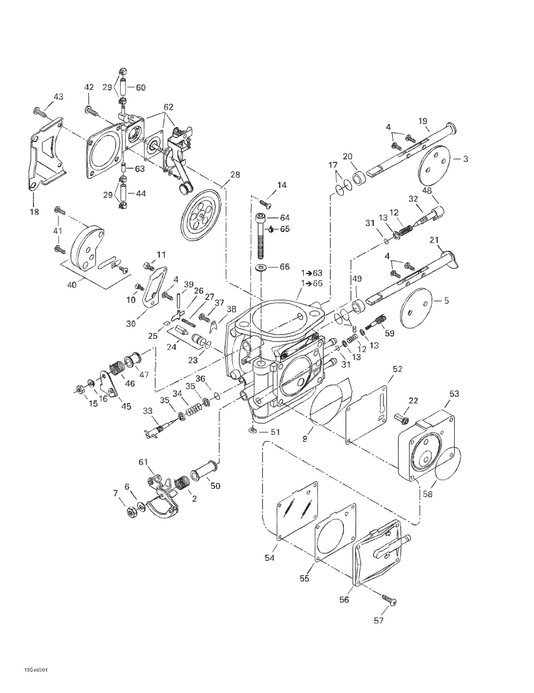
Sea-doo GTI LE, 2003 Carburetor(s) Diagram
#
1
Carburetor BN40I-38-61
270500447
Unavailable
1
Carburetor Bn40I-38-48 | Includes 1 - 63.
270500420
Unavailable
2
Spring
270500191
Unavailable
3
Not Available As Spare Part - Friction Washer
Unavailable
4
SCREW - Call your local BRP dealership
270500156
Unavailable
5
Not Available As Spare Part - Friction Washer
Unavailable
6
SPRING WASHER - Call your local BRP dealership
270500011
Unavailable
7
Nut
270500376
Unavailable
8
Sealing Ring
270500222
Unavailable
9
O-Ring
270500104
Unavailable
10
PILOT JET 75 - Call your local BRP dealership
270500427
Unavailable
11
Main Jet 167.5
270500392
Unavailable
12
SPRING - Call your local BRP dealership
270500091
Unavailable
13
Washer
270500136
Unavailable
14
Screw
270500228
Unavailable
15
NUT - Call your local BRP dealership
270500229
Unavailable
16
Spring Washer
270500230
Unavailable
17
SEALING RING - Call your local BRP dealership
270500234
Unavailable
18
Support
270500315
Unavailable
19
Not Available As Spare Part - Friction Washer
Unavailable
20
RING - Call your local BRP dealership
270500239
Unavailable
21
Not Available As Spare Part - Friction Washer
Unavailable
22
FUEL FILTER - Call your local BRP dealership
270500115
Unavailable
23
O-RING - Call your local BRP dealership
270500127
Unavailable
25
CLIP - Call your local BRP dealership
270500129
Unavailable
26
NEEDLE VALVE LEVER - Call your local BRP dealership
270500128
Unavailable
27
SPRING - Call your local BRP dealership
270500428
Unavailable
28
DIAPHRAGM ASS'Y - Call your local BRP dealership
270500132
Unavailable
30
GASKET - Call your local BRP dealership
270500131
Unavailable
31
O-RING - Call your local BRP dealership
270500144
Unavailable
Not Available As Spare Part - Friction Washer
Unavailable
32
Adjuster Screw
270500113
Unavailable
Not Available As Spare Part - Friction Washer
Unavailable
33
IDLE ADJUSTING SCREW - Call your local BRP dealership
270500020
Unavailable
Not Available As Spare Part - Friction Washer
Unavailable
34
SPRING - Call your local BRP dealership
270500019
Unavailable
Not Available As Spare Part - Friction Washer
Unavailable
35
Washer
270500018
Unavailable
36
O-RING - Call your local BRP dealership
270500119
Unavailable
Not Available As Spare Part - Friction Washer
Unavailable
37
Screw And Spring Washer
270500155
Unavailable
38
PLATE - Call your local BRP dealership
270500125
Unavailable
39
Pin
270500038
Unavailable
40
VALVE ASS'Y - Call your local BRP dealership
270500124
Unavailable
41
SCREW - Call your local BRP dealership
270500123
Unavailable
42
Screw
270500322
Unavailable
43
SCREW - Call your local BRP dealership
270500238
Unavailable
44
Hose
270500342
Unavailable
Hose
404162050
Unavailable
45
Choke Lever
270500316
Unavailable
46
SPRING - Call your local BRP dealership
270500248
Unavailable
47
Ring
270500110
Unavailable
48
Cap
270500154
Unavailable
49
RING - Call your local BRP dealership
270500309
Unavailable
50
RING - Call your local BRP dealership
270500192
Unavailable
51
Nut
270500249
Unavailable
52
GASKET - Call your local BRP dealership
270500103
Unavailable
53
Body Pump Ass'y
270500105
Unavailable
54
DIAPHRAGM - Call your local BRP dealership
270500106
Unavailable
55
Gasket
270500146
Unavailable
56
PUMP COVER - Call your local BRP dealership
270500108
Unavailable
57
SCREW - Call your local BRP dealership
270500143
Unavailable
58
O-RING - Call your local BRP dealership
270500102
Unavailable
59
Adjuster Screw
270500288
Unavailable
60
Hose
270500342
Unavailable
61
Throttle Lever Ass'y
270500317
Unavailable
62
Diaphragm Cover
270500424
Unavailable
63
RECHARGE JET - Call your local BRP dealership
270500348
Unavailable
64
SOCKET HEAD SCREW M8 X 80 - Call your local BRP dealership
205088060
Unavailable
65
Synthetic Grease, 400 G
293550010
Unavailable
