GSX, 5624, 1997
01- Cooling System
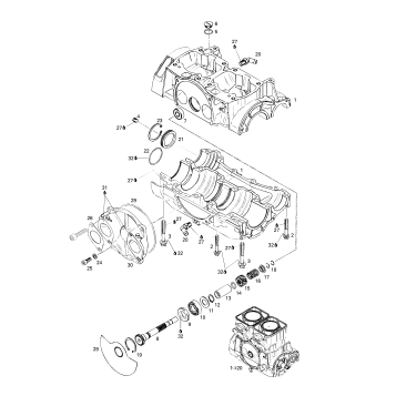
01- Crankcase, Rotary Valve
01- Crankshaft And Pistons
01- Cylinder, Exhaust Manifold
01- Engine Support And Muffler
02- Air Intake System
02- Carburetor
02- Fuel System
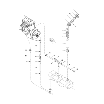
02- Oil Injection System
03- Magneto, Oil Pump
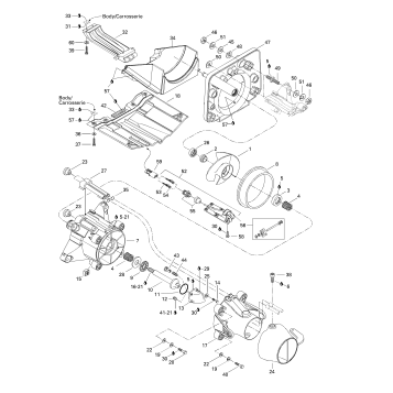
04- Starter
05- Drive System
05- Propulsion System
05- Trim
07- Steering System
09- Accessories
09- Body
09- Decals
09- Front Storage Compartment
09- Seat And Engine Cover
10- Electrical Harness
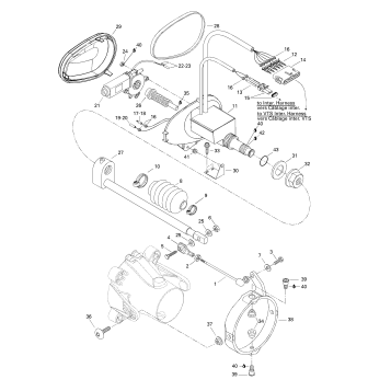
10- Electronic Module And Electrical Accessories
10- Rear Electrical Box
Fuel Your Passion
Parts That Keep You Riding
Edit ride