FZR600RKC (FZR600R CA) 1998
AIR INDUCTION SYSTEM
CAMSHAFT CHAIN
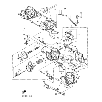
CARBURETOR
CLUTCH
COWLING 1
CRANKCASE
CRANKCASE COVER 1
CRANKSHAFT PISTON
CYLINDER
CYLINDER HEAD
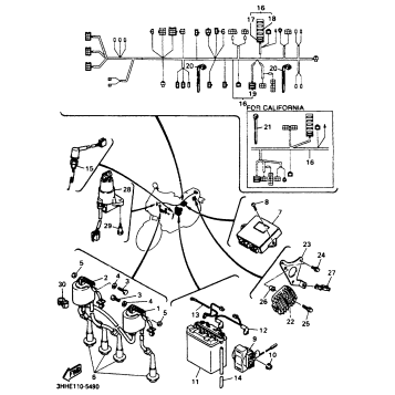
ELECTRICAL 1
ELECTRICAL 2
EXHAUST
EXHAUST 2
FENDER
FLASHER LIGHT
FRAME
FRONT BRAKE CALIPER
FRONT FORK
FRONT MASTER CYLINDER
FRONT WHEEL
FUEL TANK
GENERATOR
HANDLE SWITCH LEVER
HEADLIGHT
INTAKE
METER
OIL COOLER
OIL PUMP
RADIATOR HOSE
REAR ARM
REAR BRAKE CALIPER
REAR MASTER CYLINDER
REAR SUSPENSION
REAR WHEEL
SEAT
SHIFT CAM FORK
SHIFT SHAFT
SIDE COVER
STAND FOOTREST
STARTER CLUTCH
STARTING MOTOR
STEERING
STEERING HANDLE CABLE
TAILLIGHT
TRANSMISSION
VALVE
WATER PUMP
Fuel Your Passion
Parts That Keep You Riding
Edit ride