Partiron

Yamaha FZR600RKC (FZR600R CA) 1998 STARTING MOTOR Diagram

#

Description
Price

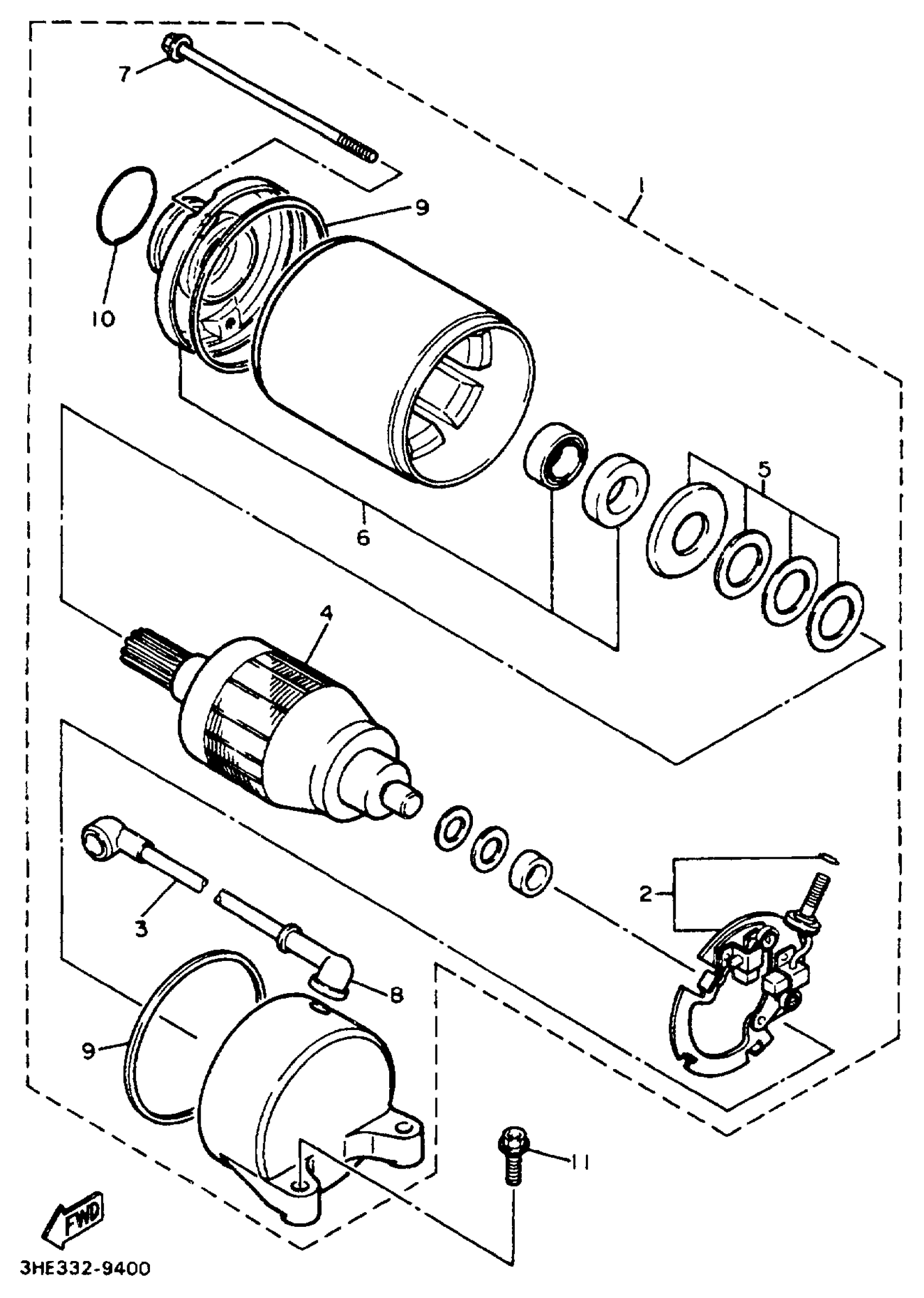
1

STARTING MOTOR UNIT

3HE-81890-00-00

$695.99

1

STARTING MOTOR UNIT

3HE-81890-00-00

$695.99

2

BRUSH HOLDER ASSY

3HE-81840-00-00

$173.99

3

WIRE, STARTER

1HX-81815-00-00

$65.99

4

ARMATURE ASSY

3HE-81850-00-00

Unavailable

5

WASHER KIT

3AJ-81809-00-00

Unavailable

6

FRONT BRACKET ASSY

3HE-81830-00-00

Unavailable

7

BOLT

3HE-81826-00-00

Unavailable

8

.. CAP

5H0-81871-00-00

Unavailable

9

GASKET

35C-81844-00-00

Unavailable

10

O-RING (437)

93210-24235-00

$7.49

11

BOLT, SMALL FLANGE

95027-06025-00

$4.16