- Partiron
- OEM Parts
- Yamaha
- motorcycle
- 1998
- FZR600RKC (FZR600R CA) 1998
SIDE COVER
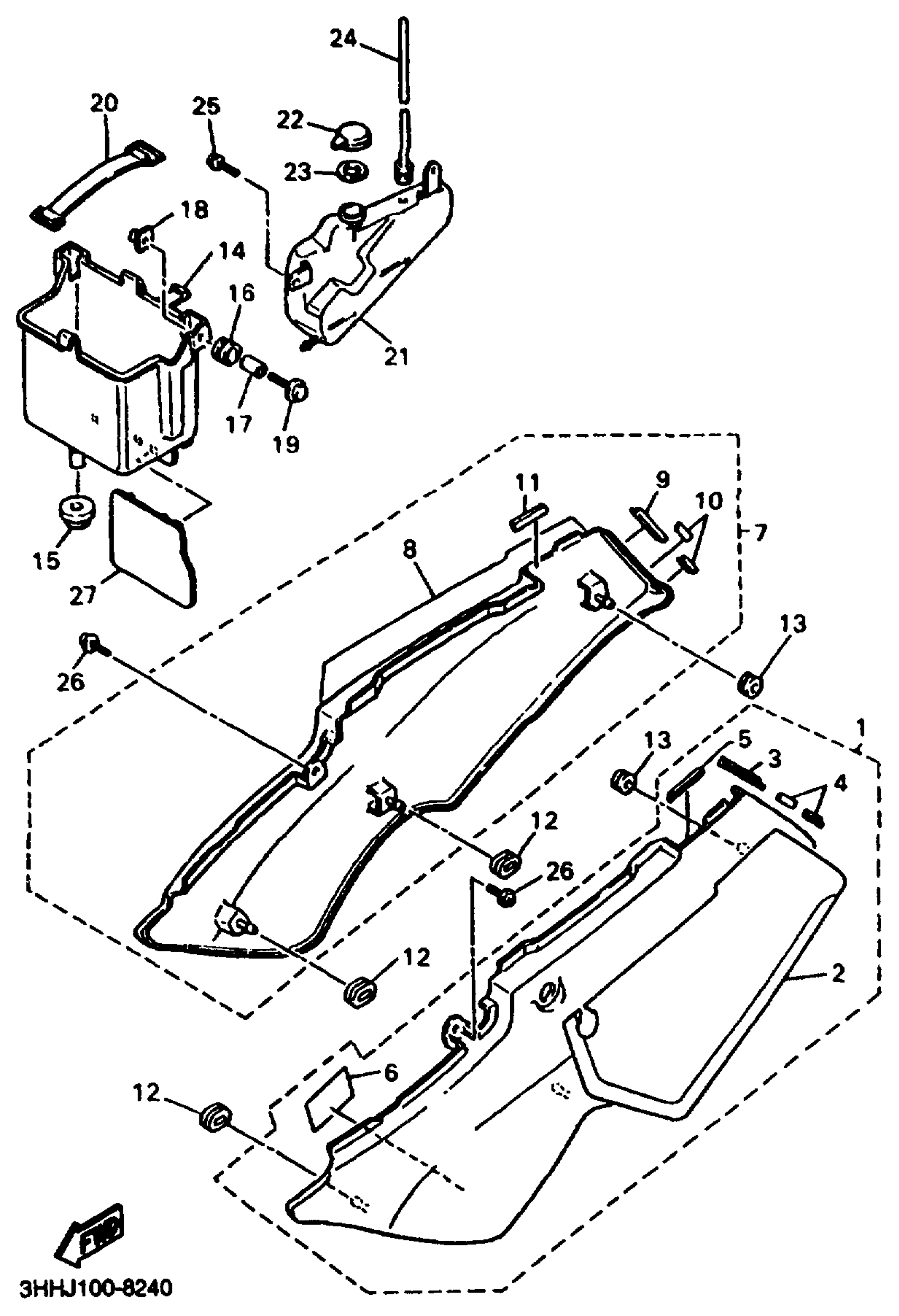
Yamaha FZR600RKC (FZR600R CA) 1998 SIDE COVER Diagram
#
1
COVER, SIDE 1 (YAMAHA BLACK)
3HE-Y2171-V0-33
Unavailable
1
COVER, SIDE 1 (YAMAHA BLACK)
3HE-Y2171-W0-33
Unavailable
2
. GRAPHIC 1
3HH-2173E-A0-00
Unavailable
3
. SEAL 2
3HE-21735-00-00
Unavailable
4
. SEAL 1
3HE-21732-00-00
Unavailable
5
SEAL 2
2GH-21735-00-00
Unavailable
6
. PLATE, EPA 1 (NON CALIFORNIA)
3HH-2179V-A1-00
Unavailable
6
. PLATE, EPA 2 (CALIFORNIA)
3UU-2179R-81-00
Unavailable
7
COVER, SIDE 2 (YAMAHA BLACK)
3HE-Y2172-Y0-33
Unavailable
8
. GRAPHIC 2
3HH-2173F-A0-00
Unavailable
9
. SEAL 2
3HE-21735-00-00
Unavailable
10
. SEAL 1
3HE-21732-00-00
Unavailable
11
SEAL 2
2GH-21735-00-00
Unavailable
14
BOX, BATTERY
1WG-2177G-00-00
Unavailable
15
GROMMET (31A)
90480-22362-00
Unavailable
16
GROMET (3X3)
90480-14229-00
Unavailable
17
COLLAR 437216330000
90387-07391-00
Unavailable
18
PLATE
31A-14477-10-00
Unavailable
19
BOLT, WITH WASHER(2WG)
90119-06172-00
Unavailable
20
BAND,BATTERY
7H3-82131-00-00
Unavailable
21
TANK, RECOVERY
1WG-21871-00-00
Unavailable
22
CAP
1AA-21815-00-00
Unavailable
23
GASKET
1AA-21874-00-00
Unavailable
24
PIPE, OVERFLOW (L1400)
4BH-21877-00-00
Unavailable
25
SCREW, W/WASHER (4L0)
90159-06060-00
Unavailable
26
SCREW, W/WASHER (4L0)
90159-06060-00
Unavailable
27
FLAP
34X-21691-00-00
Unavailable
