FS50 (1980)
AIR CLEANER
CARBURETOR
CENTER STAND - FOOTREST
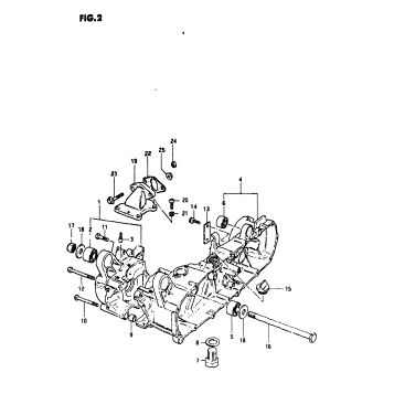
CRANKCASE
CRANKCASE COVER
CRANKSHAFT
CYLINDER
ELECTRICAL
FINAL DRIVE - CHAIN
FRAME (MODEL T/X : -F.NO.3101002)
FRAME (MODEL X : F.NO.3101003-)
FRONT FORK
FRONT WHEEL
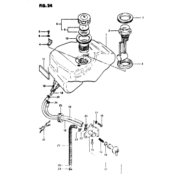
FUEL TANK (MODEL T)
FUEL TANK (MODEL X : -F.NO.3101002)
FUEL TANK (MODEL X : -F.NO.3101003)
HANDLE COVER
HANDLEBAR
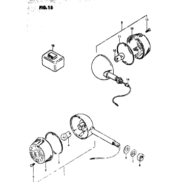
HEADLAMP
HEADLAMP HOUSING - FRONT FENDER
KICK STARTER
LEFT HANDLE SWITCH (ASCOT)
LEFT HANDLE SWITCH (FS50X)
LEG SHIELD
MAGNETO
MUFFLER
OIL PUMP
OIL TANK
OPTIONAL
REAR COMBINATION LAMP
REAR FENDER
REAR WHEEL
RIGHT HANDLE SWITCH
SEAT
SPEEDOMETER
STEERING STEM
TRANSMISSION
TURN SIGNAL LAMP (FS50X)
WIRING HARNESS
Fuel Your Passion
Parts That Keep You Riding
Edit ride