Mini DS 90 2-strokes, 2002
01- Camshaft, Piston (170-02)
01- Crankcase (170-08)
01- Cylinder, Cylinder Head 170-01
01- Exhaust 170-07
01- Fan, Air Shroud 170-03
01- Reed Valve, Air Cleaner 170-05
02- Carburetor 170-06
02- Fuel Tank, Oil Tank 170-16
02- Oil Pump 170-04
04- Generator, Starting Motor 170-12
04- Starter 170-09
05- Clutch 170-10
05- Rear Wheel Axle, Chain 170-22
05- Transmission 170-11
06- Front Brake 170-19
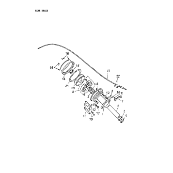
06- Rear Brake 170-20
07- Front Wheel, Suspension 170-17
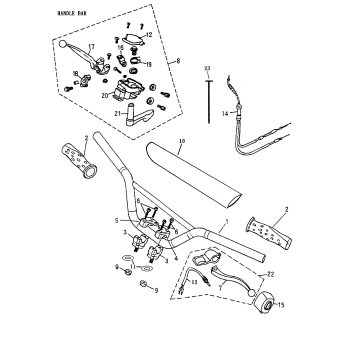
07- Handlebar 170-21
07- Steering System 170-23
08- Rear Wheel 170-18
09- Arm, Foot Rest, Bumper 170-14
09- Body Cover, Seat 170-15
09- Decals 170-25
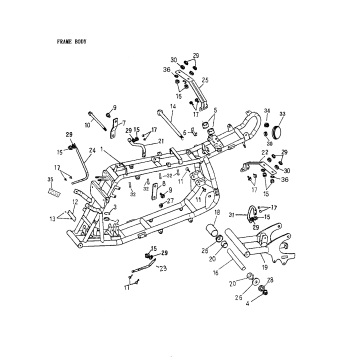
09- Frame And Body 170-13
10- Electrical Components 170-24
Fuel Your Passion
Parts That Keep You Riding
Edit ride