CYCLONE - W877828
Air Box Assembly (4913501350019A)
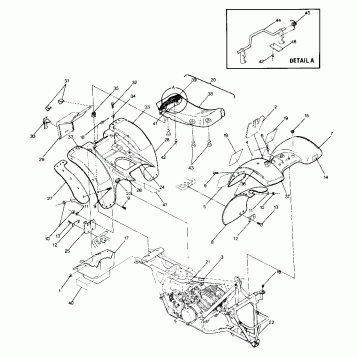
Body Assembly (4913501350001A)
Brake Caliper Assembly (4913501350030A)
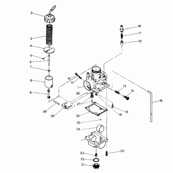
Carburetor Assembly (4913501350034A)
Clutch Cover Assembly (4913501350020A)
Crankcase and Cylinder Assembly (4913501350031A)
Crankshaft and Piston Assembly (4913501350032A)
Drive Clutch Assembly (4913501350023A)
Driven Clutch Assembly (4913501350024A)
Engine and Muffler Mounting (4913501350005A)
Frame Assembly With Racks (4913501350003A)
Front Wheel Assembly (4913501350015A)
Fuel Tank Assembly (4913501350009A)
Gearcase Assembly (4913501350025A)
Hand Control Cable Assembly (4913501350013A)
Headlight Assembly (4913501350007A)
Magneto Assembly (4913501350035A)
Oil Pump Assembly (4913501350033A)
Rear Wheel Drive Assembly (4913501350017A)
Recoil Starter Assembly (4913501350036A)
Right Hand Gearcase & Brake Mounting (4913501350029A)
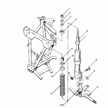
Steering Assembly (4913501350011A)
Strut Assembly (4913501350008A)
Swing Arm Weldment and Rear Shock Assembly (4913501350021A)
Tool Kit Assembly (4913501350037A)
Wire Harness (4913501350027A)
Fuel Your Passion
Parts That Keep You Riding
Edit ride