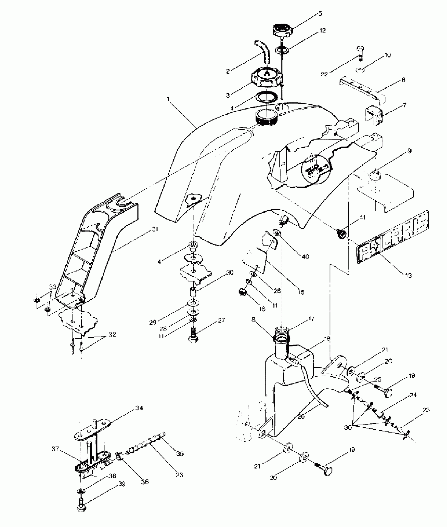
Polaris CYCLONE - W877828 Fuel Tank Assembly (4913501350009A) Diagram
#
Description
Price
1
TANK, GAS [No Longer Available]
5430913
Unavailable
2
LINE, VENT [No Longer Available]
5521171
Unavailable
3
CAP, GAS TANK [No Longer Available]
5430799
Unavailable
4
GASKET, GAS CAP
5810288
Unavailable
5
CAP/DIPSTICK, OIL [No Longer Available] (Incl. 12)
2511162
Unavailable
6
PLATE,REAR TANK MT.
5220674
Unavailable
7
PAD,FUELTANK BRKT. Substituted by 8360026
5810317
Unavailable
8
PAD,SPOUT,OIL [No Longer Available]
5810311
Unavailable
9
GROMMET,FUEL TANK,REAR
5410428
Unavailable
13
LOGO,'POLARIS'
5430908
Unavailable
14
GROMMET,FUEL TANK,FRONT
5410449
Unavailable
15
FLAP,SPLASHGUARD
5850070
Unavailable
17
TANK,OIL, 3&4 WHL.
5430762
Unavailable
18
VENT-TANK
5430579
Unavailable
22
SCREW(10)
7512252
Unavailable
23
BULK-3/16IDX1FT.LINE Substituted by 8450037-600
8450037
Unavailable
23
BULK-3/16IDX1FT.LINE Substituted by 8450037-600
8450037
Unavailable
26
KIT-TANK VENT
2200190
Unavailable
27
SCREW(10) Substituted by 5020499
7512317
Unavailable
29
WASHER, RUBBER
5410430
Unavailable
30
SPACER,MOUNTING
5330161
Unavailable
31
LOUVER,AIR INTAKE
5430911
Unavailable
34
GASKET, FUEL VALVE
5810308
Unavailable
35
SPRING
7042030
Unavailable
36
CLAMP-HOSE(10)
7080134
Unavailable
36
CLAMP-HOSE(10)
7080134
Unavailable
37
VALVE,FUEL TANK
7052041
Unavailable
40
WASHER, RUBBER
5410450
Unavailable
41
CLIP,(PLASTIC DART)
7670058
Unavailable
