BIG BOSS 4X6 - W908627
Air Box Assembly (4917741774023A)
Battery Box Assembly (4917741774033A)
Carburetor Assembly (4917741774039A)
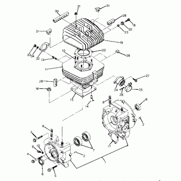
Clutch Cover Assembly (4917741774024A)
Control Assembly, L.H. (4917741774014A)
Control Assembly, R.H. Updated 5/90 (4917741774015A)
Crankcase and Cylinder Assembly (4917741774036A)
Crankshaft and Piston Assembly (4917741774037A)
Drive Clutch Assembly (4917741774028A)
Driven Clutch Assembly (4917741774031A)
Engine Mounting (4917741774006A)
Fan Assembly (4917741774007A)
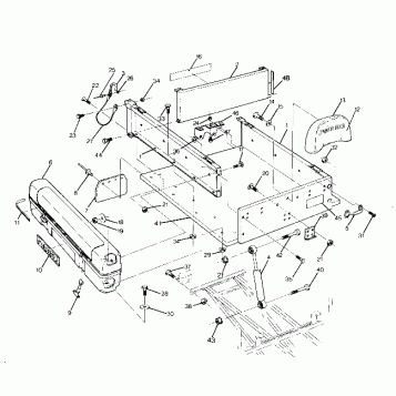
Frame Assembly with Racks (4917741774003A)
Front Brake Assembly (4917741774018A)
Front Cab Assembly Updated 5/90 (4917741774001A)
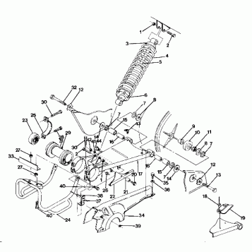
Front Strut Assembly (4917741774010A)
Front Wheel Assembly (4917741774017A)
Fuel Tank Assembly (4917741774004A)
Gearcase Assembly (4917741774029A)
Headlight Assembly (4917741774009A)
Magneto Assembly (4917741774041A)
Middle Axle Brake Assembly (4917741774019A)
Middle Drive Assembly (4917741774025A)
Middle Wheel Assembly (4917741774020A)
Muffler Mounting (4917741774008A)
Oil Pump Assembly (4917741774038A)
Oil Tank Assembly (4917741774005A)
Rear Brake Assembly (4917741774035A)
Rear Cab Assembly (4917741774002A)
Rear Wheel Drive Assembly (4917741774021A)
Recoil Starter Assembly (4917741774042A)
Right Hand Gearcase and Brake Mounting Updated 5/90 (4917741774034A)
Shift Linkage Assembly 4X6 (49187218720016)
Shift Linkage Assembly Updated 5/90 (4917741774016A)
Starting Motor Assembly Updated 5/90 (4917741774040A)
Steering Assembly Updated 5/90 (4917741774011A)
Swing Arm Weldment (Middle) (4917741774026A)
Swing Arm Weldment (Rear) Updated 5/90 (4917741774027A)
Tool Kit Assembly (4917741774043A)
Utility Dump Box Assembly (4917741774013A)
Wiring Harness (4917741774032A)
Fuel Your Passion
Parts That Keep You Riding
Edit ride