- Partiron
- OEM Parts
- Polaris
- ATV
- 1990
- BIG BOSS 4X6 - W908627
Swing Arm Weldment (Middle) (4917741774026A)
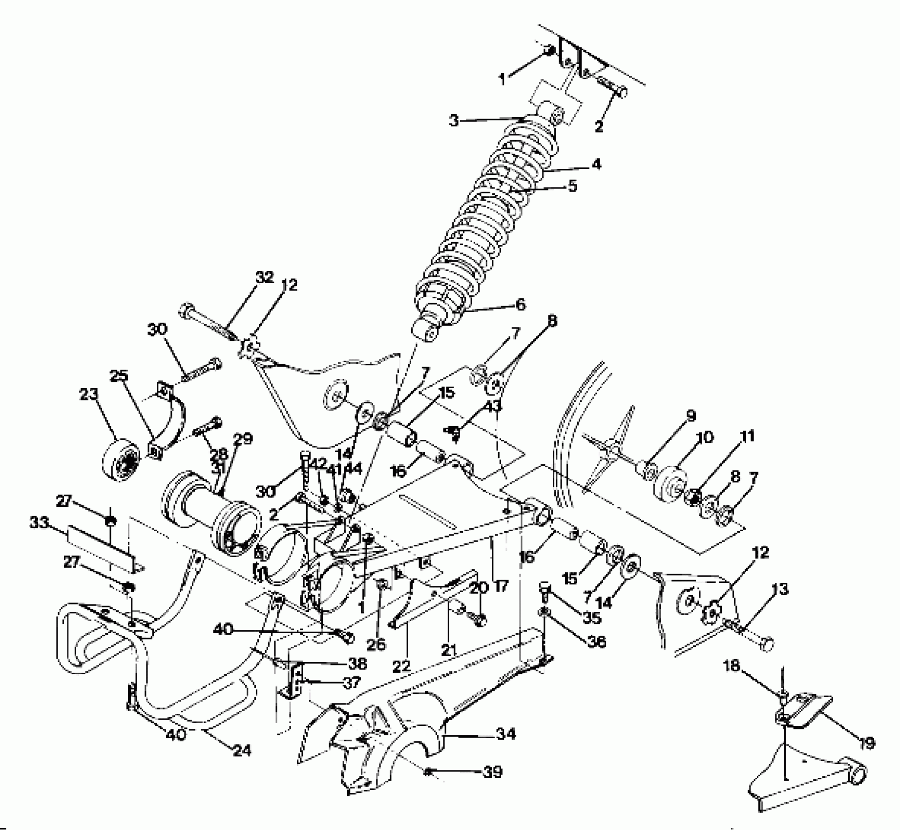
Polaris BIG BOSS 4X6 - W908627 Swing Arm Weldment (Middle) (4917741774026A) Diagram
#
Description
Price
5
SHOCK
7041220
Unavailable
6
ADAPTER,SPRING,SEAT
5630351
Unavailable
8
WASHER(10)
7555779
Unavailable
8
WASHER(10)
7555779
Unavailable
9
BUSHING,SWING ARM
5010255
Unavailable
10
ROLLER,CHAIN GUIDE
5431003
Unavailable
11
NUT,CROWN LOCK(10)
7542601
Unavailable
13
BOLT, SHOULDER
7512704
Unavailable
14
BUSHING, MACH.(10)
7555752
Unavailable
14
BUSHING, MACH.(10)
7555752
Unavailable
15
BEARING
3576507
Unavailable
15
BEARING
3576507
Unavailable
16
BUSHING,SWING ARM
5010237
Unavailable
16
BUSHING,SWING ARM
5010237
Unavailable
17
ARM,SWING,WELD. Substituted by 1580035-067
1580035
Unavailable
24
GUARD, RACK Substituted by 1040183-132
1040183
Unavailable
25
BRKT,SWG.ARM EXT. Substituted by 1580037-067
1580037
Unavailable
25
BRKT,SWING ARM EXT.
1580046
Unavailable
30
BOLT(10)
7512569
Unavailable
30
BOLT(10)
7512569
Unavailable
31
HOUSING, AXLE
5130663
Unavailable
32
BOLT, SHOULDER
7512703
Unavailable
33
MT, RACK GUARD Substituted by 5222221-132
5222221
Unavailable
34
GUARD, F.CHAIN
5431102
Unavailable
35
SCREW(10)
7512252
Unavailable
37
BRKT, CHAIN GUARD Substituted by 5222220-067
5222220
Unavailable
43
FITTING,LUBE Substituted by 7080438
7080342
Unavailable
44
HOLDER
5130712
Unavailable
