- Partiron
- OEM Parts
- Polaris
- ATV
- 1990
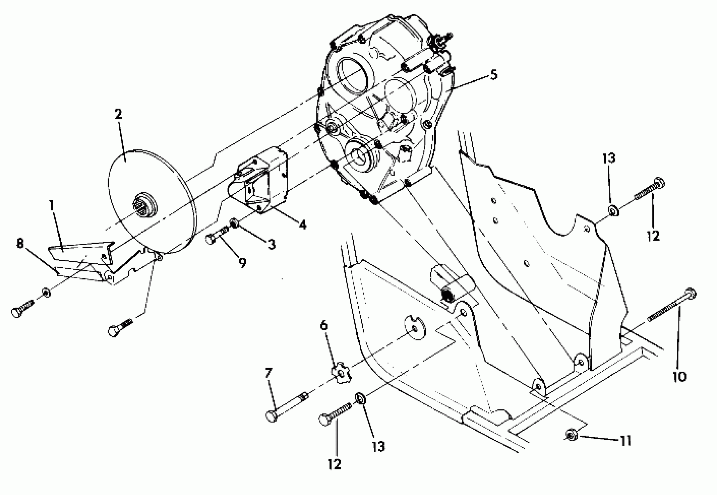
- BIG BOSS 4X6 - W908627
Right Hand Gearcase and Brake Mounting Updated 5/90 (4917741774034A)
Polaris BIG BOSS 4X6 - W908627 Right Hand Gearcase and Brake Mounting Updated 5/90 (4917741774034A) Diagram
#
Description
Price
1
COVER,BRAKE DISC Substituted by 5222563-067
5240117
Unavailable
2
DISC, BRAKE Substituted by 1910087
1910021
Unavailable
4
CALIPER ASM,R.BRAKE Substituted by 1910073 (Complete)
1910046
Unavailable
5
TRANSMISSION(4X4) [Cannot Purchase as Assembly]
1341066
Unavailable
7
BOLT, SHOULDER
7512702
Unavailable
8
DECAL(CPSC),BRAKE SHIELD Substituted by 7075339
7072790
Unavailable
12
BOLT(10) Substituted by 7512492
7515458
Unavailable
12
BOLT(10) Substituted by 7512492
7515458
Unavailable
