640 DUKE II - LIME <2000>
Special tools (engine)
FRONT FORK, TRIPLE CLAMP
ENGINE CASE
BALANCER SHAFT
CYLINDER
CRANKSHAFT, PISTON
ENGINE VENT
CARBURETOR
ELECTRONIC POWER CONTROL EPC
CLUTCH
TRANSMISSION I - MAIN SHAFT
TRANSMISSION II - COUNTERSHAFT
KICK STARTER
SHIFTING MECHANISM
WATER PUMP
COOLING SYSTEM
VALVE DRIVE
TIMING DRIVE
CYLINDER HEAD
LUBRICATING SYSTEM
IGNITION SYSTEM
ELECTRIC STARTER
FRONT FORK DISASSEMBLED
HANDLEBAR, CONTROLS
FRAME
SIDE / CENTER STAND
SHOCK ABSORBER
PRO LEVER LINKING
SWING ARM
EXHAUST SYSTEM
MAIN SILENCER
AIR FILTER
TANK, SEAT
MASK, FENDERS
FRONT WHEEL
REAR WHEEL
WIRING HARNESS
FRONT BRAKE CONTROL
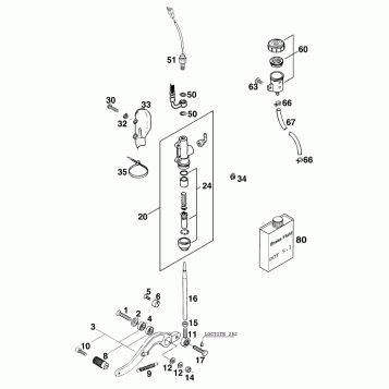
REAR BRAKE CONTROL
FRONT BRAKE CALIPER
REAR BRAKE CALIPER
LIGHTING SYSTEM
INSTRUMENTS / LOCK SYSTEM
EVAPORATIVE CANISTER
Fuel Your Passion
Parts That Keep You Riding
Edit ride