640 DUKE-E <1998>
Special tools (engine)
FRONT FORK, TRIPLE CLAMP
ENGINE CASE
BALANCER SHAFT
CYLINDER
CRANKSHAFT, PISTON
ENGINE VENT
CARBURETOR
SECONDARY AIR SYSTEM SAS
ELECTRONIC POWER CONTROL EPC
CLUTCH
TRANSMISSION I - MAIN SHAFT
TRANSMISSION II - COUNTERSHAFT
KICK STARTER
SHIFTING MECHANISM
WATER PUMP
COOLING SYSTEM
VALVE DRIVE
TIMING DRIVE
CYLINDER HEAD
LUBRICATING SYSTEM
IGNITION SYSTEM
ELECTRIC STARTER
FRONT FORK DISASSEMBLED
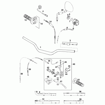
HANDLEBAR, CONTROLS
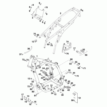
FRAME
SIDE / CENTER STAND
SHOCK ABSORBER
PRO LEVER LINKING
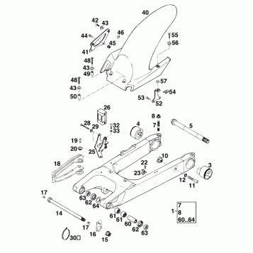
SWING ARM
EXHAUST SYSTEM
MAIN SILENCER
AIR FILTER
TANK, SEAT
MASK, FENDERS
FRONT WHEEL
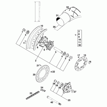
REAR WHEEL
WIRING HARNESS
ACCESSORIES
FRONT BRAKE CONTROL
REAR BRAKE CONTROL
FRONT BRAKE CALIPER
REAR BRAKE CALIPER
LIGHTING SYSTEM
INSTRUMENTS / LOCK SYSTEM
NEW PARTS
Fuel Your Passion
Parts That Keep You Riding
Edit ride