600 HO SWITCHBACK F/O - S07PS6FS/FSA
AIR BOX ASSEMBLY - S07PS6FS/FSA (4997139713C12)
BRAKE SYSTEM - S07PS6FS/FSA (4997139713B11)
BUMPER, FRONT and NOSEPAN - S07PS6FS/FSA (4997459745A08)
CHAINCASE - S07PS6FS/FSA (4997139713C07)
CHASSIS, FRONT - S07PS6FS/FSA (49SNOWCHASSISFRT600SWTCH)
CHASSIS, FRONT 2 - S07PS6FS/FSA (4997139713A04)
CHASSIS, REAR - S07PS6FS/FSA (49SNOWCHASSISRRSWTCH)
CONSOLE - S07PS6FS/FSA (49SNOWCONSOLE600SWTCH)
COOLING - S07PS6FS/FSA (49SNOWCOOLING600SWTCH)
DECALS - S07PS6FS/FSA (49SNOWDECAL600SWTCH)
DRIVE CLUTCH - S07PS6FS/FSA (49SNOWDRIVECLUTCH600RMK)
DRIVE TRAIN ASSEMBLY - S07PS6FS/FSA (49SNOWDRIVETRAIN600HO)
DRIVEN CLUTCH - S07PS6FS/FSA (49SNOWDRIVENCLUTCH600HO)
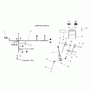
ELECTRICAL - S07PS6FS/FSA (49SNOWELECT600SB)
ENGINE, CARBURETOR - S07PS6FS/FSA (49SNOWCARBURETOR600HO)
ENGINE, CARBURETOR, LOWER - S07PS6FS/FSA (49SNOWCARBLOWER600HO)
ENGINE, CARBURETOR, UPPER - S07PS6FS/FSA (49SNOWCARBUPPER600HO)
ENGINE, CRANKCASE - S07PS6FS/FSA (49SNOWCRANKCASE600HO)
ENGINE, CYLINDER - S07PS6FS/FSA (49SNOWCYLINDER600HO)
ENGINE, EXHAUST VALVES - S07PS6FS/FSA (49SNOWEXHAUSTVALVES600HO)
ENGINE, MAGNETO - S07PS6FS/FSA (4997399739D06)
ENGINE, MOUNTING - S07PS6FS/FSA (49SNOWENGINEMOUNT600HO)
ENGINE, PISTON and CRANKSHAFT - S07PS6FS/FSA (49SNOWPISTONCRANKSHAFT600HO)
ENGINE, RECOIL STARTER - S07PS6FS/FSA (49SNOWRECOIL600HO)
ENGINE, WATER PUMP/OIL PUMP - S07PS6FS/FSA (49SNOWWATEROILPUMP600HO)
EXHAUST - S07PS6FS/FSA (49SNOWEXHAUST600HO)
FENDER FOAM and FOIL - S07PS6FS/FSA (49SNOWFENDERFOAM600HO)
FENDERS and SIDE PANELS - S07PS6FS/FSA (49SNOWFENDERS600SWTCH)
FUEL SYSTEM - S07PS6FS/FSA (49SNOW FUEL600SWTCH)
HANDLEBAR - S07PS6FS/FSA (49SNOWHANDLEBAR600SWTCH)
HEADLIGHT - S07PS6FS/FSA (49SNOWHEADLGHT600HO)
HOOD - S07PS6FS/FSA (49SNOWHOOD600HO)
HOOD FOAM/SCREENS/FOIL - S07PS6FS/FSA (4997459745A13)
OIL BOTTLE - S07PS6FS/FSA (49SNOWOILBOTTLE600SB)
SEAT - S07PS6FS/FSA (49SNOWSEAT600SWTCH)
SHOCK, FRONT TRACK (7043142) - S07PS6FS/FSA (49SNOWSHOCKFRONT7043142)
SHOCK, IFS (7043141) - S07PS6FS/FSA (49SNOWSHOCKIFS7043141)
SHOCK, IFS (FOX/7043268/7043269) - S07PS6FS/FSA (49SNOWSHOCKIFS7043268)
SHOCK, REAR TRACK (7043246) - S07PS6FS/FSA (49SNOWSHOCKREAR7043246)
SKI ASSEMBLY - S07PS6FS/FSA (49SNOWSKIASM600HO)
STARTER/BATTERY - S07PS6FS/FSA (49SNOWSTARTER600RMK)
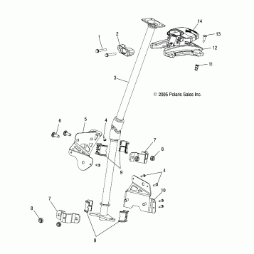
STEERING POST, ASSEMBLY - S07PS6FS/FSA (4997459745B09)
STEERING, LOWER - S07PS6FS/FSA (49SNOWSTEERING600SWTCH)
SUSPENSION, FRONT - S07PS6FS/FSA (49SNOWSUSPFRT600HO)
SUSPENSION, RAIL MOUNTING - S07PS6FS/FSA (49SNOWSUSPRAILFSTSWTCH)
SUSPENSION, REAR - S07PS6FS/FSA (49SNOWSUSPRR600SWTCH)
SWAY BAR - S07PS6FS/FSA (49SNOWSWAYBAR600HO)
TOOL KIT - S07PS6FS/FSA (49SNOWTOOL600HO)
TORQUE ARM, FRONT - S07PS6FS/FSA (4997459745B13)
TORQUE ARM, REAR - S07PS6FS/FSA (49SNOWTORQUEREAR600SWTCH)
WINDSHIELD - S07PS6FS/FSA (4997479747A13)
Fuel Your Passion
Parts That Keep You Riding
Edit ride