60 SX <1999>
FRONT FORK, TRIPLE CLAMP
Special tools (engine)
HANDLEBAR, CONTROLS
FRAME
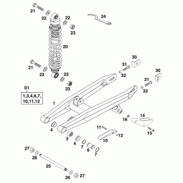
SWING ARM
EXHAUST SYSTEM
AIR FILTER
TANK, SEAT
DECAL
FRONT WHEEL
REAR WHEEL
FRONT BRAKE CONTROL
FRONT BRAKE CALIPER
ENGINE CASE
CYLINDER
CYLINDER, CYLINDER HEAD
CRANKSHAFT, PISTON
CARBURETOR
CLUTCH
TRANSMISSION
KICK STARTER
SHIFTING MECHANISM
COOLING SYSTEM
IGNITION SYSTEM
Fuel Your Passion
Parts That Keep You Riding
Edit ride