400L 4X4 - W948140
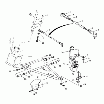
A-ARM/STRUT MOUNTING 4X4 400L W948140 (4926772677B009)
AIR BOX ASSEMBLY 4X4 400L W948140 (4926772677A014)
BUMPER/RACK MOUNTING 4X4 400L W948140 (4926772677A007)
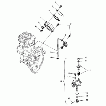
CARBURETOR 4X4 400L W948140 (4926772677D002)
CENTER TIGHTENER ASSEMBLY 4X4 400L W948140 (4926772677B012)
CLUTCH COVER ASSEMBLY 4X4 400L W948140 (4926772677B014)
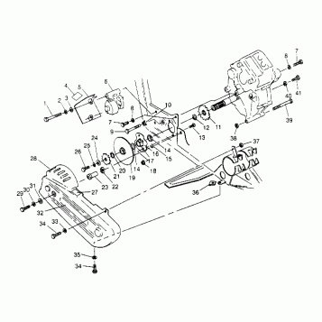
CONTROLS - MASTER CYLINDER/BRAKE LINE 4X4 400L W948140 (4926772677B011)
CONTROLS - THROTTLE ASM./CABLE 4X4 400L W948140 (4926772677B010)
COOLING SYSTEM 4X4 400L W948140 (4926772677A009)
CRANKCASE and CYLINDER 4X4 400L W948140 (4926772677C011)
CV JOINT 4X4 400L W948140 (4926772677B003)
DRIVE CLUTCH ASSEMBLY 4X4 400L W948140 (4926772677C001)
DRIVEN CLUTCH ASSEMBLY 4X4 400L W948140 (4926772677C002)
ELECTRICAL/TAILLIGHT ASSEMBLY 4X4 400L W948140 (4926772677C009)
ENGINE MOUNTING 4X4 400L W948140 (4926772677A008)
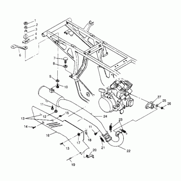
EXHAUST SYSTEM 4X4 400L W948140 (4926772677A010)
FAN MOTOR 4X4 400L W948140 (4926772677D006)
FRONT BRAKE ASSEMBLY 4X4 400L W948140 (4926772677B006)
FRONT CAB ASSEMBLY 4X4 400L W948140 (4926772677A005)
FRONT DRIVE ASSEMBLY 4X4 400L W948140 (4926772677B001)
FRONT STRUT ASSEMBLY 4X4 400L W948140 (4926772677B004)
FRONT TIGHTENER ASSEMBLY 4X4 400L W948140 (4926772677B002)
FRONT WHEEL ASSEMBLY 4X4 400L W948140 (4926772677B005)
FUEL TANK ASSEMBLY 4X4 400L W948140 (4926772677A011)
GEARCASE ASSEMBLY 4X4 400L W948140 (4926772677C007)
GEARCASE/BRAKE and CHAIN COVER MOUNTING 4X4 400L W948140 (4926772677C003)
HEADLIGHT ASSEMBLY 4X4 400L W948140 (4926772677A013)
MAGNETO ASSEMBLY 4X4 400L W948140 (4926772677D005)
OIL PUMP 4X4 400L W948140 (4926772677D001)
OIL TANK ASSEMBLY 4X4 400L W948140 (4926772677A012)
PISTON and CRANKSHAFT 4X4 400L W948140 (4926772677C013)
REAR BRAKE ASSEMBLY 4X4 400L W948140 (4926772677C004)
REAR CAB ASSEMBLY 4X4 400L W948140 (4926772677A006)
REAR WHEEL DRIVE ASSEMBLY 4X4 400L W948140 (4926772677C005)
RECOIL STARTER 4X4 400L W948140 (4926772677D003)
SHIFT LINKAGE ASSEMBLY 4X4 400L W948140 (4926772677C006)
STARTING MOTOR 4X4 400L W948140 (4926772677D004)
STEERING - HANDLEBAR 4X4 400L W948140 (4926772677B007)
STEERING POST ASSEMBLY 4X4 400L W948140 (4926772677B008)
SWING ARM/SHOCK MOUNTING 4X4 400L W948140 (4926772677B013)
TOOL KIT ASSEMBLY 4X4 400L W948140 (4926772677C010)
WATER PUMP 4X4 400L W948140 (4926772677C014)
Fuel Your Passion
Parts That Keep You Riding
Edit ride