XP Limited, 5868/5869, 1999
01- Cooling System
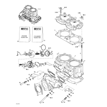
01- Crankcase, Rotary Valve
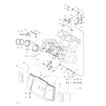
01- Crankshaft And Pistons
01- Cylinder, Exhaust Manifold
01- Engine Support And Muffler
02- Air Intake System
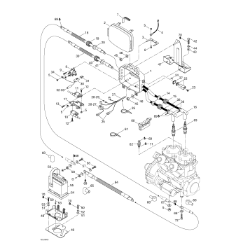
02- Carburetors
02- Fuel System
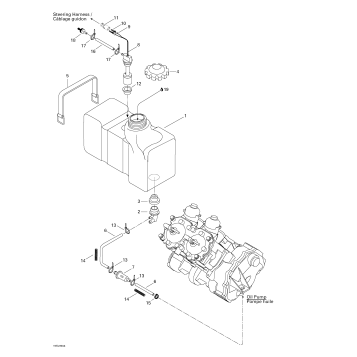
02- Oil Injection System
03- Magneto, Oil Pump
04- Starter
05- Drive System
05- Propulsion System
05- Trim
07- Steering System
09- Accessories
09- Body
09- Decals
09- Engine Cover
09- Rear Access Cover
09- Seat
09- Seat Suspension
09- Storage Cover
10- Electrical Box And Battery
10- Electrical Harness
10- Electronic Module And Electrical Accessories
10- Typical Electrical Connections
Fuel Your Passion
Parts That Keep You Riding
Edit ride