Tundra R, 2003
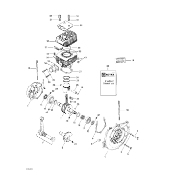
01- Crankcase And Cylinder
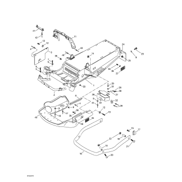
01- Engine Support And Muffler
02- Carburetor
02- Fuel System
02- Oil Injection System
03- Magneto
04- Rewind Starter
05- Chaincase
05- Drive Axle And Track
05- Pulleys
06- Brake And Belt Guard
07- Front Suspension And Ski
07- Steering System
08- Rear Suspension
09- Cab, Accessories
09- Decals
09- Frame And Body
09- Seat And Accessories
10- Electrical System
Fuel Your Passion
Parts That Keep You Riding
Edit ride