- Partiron
- OEM Parts
- Can-Am
- ATV
- 2001
- Traxter XL
- Traxter XL, 7448/7489, 2001
Carburetor
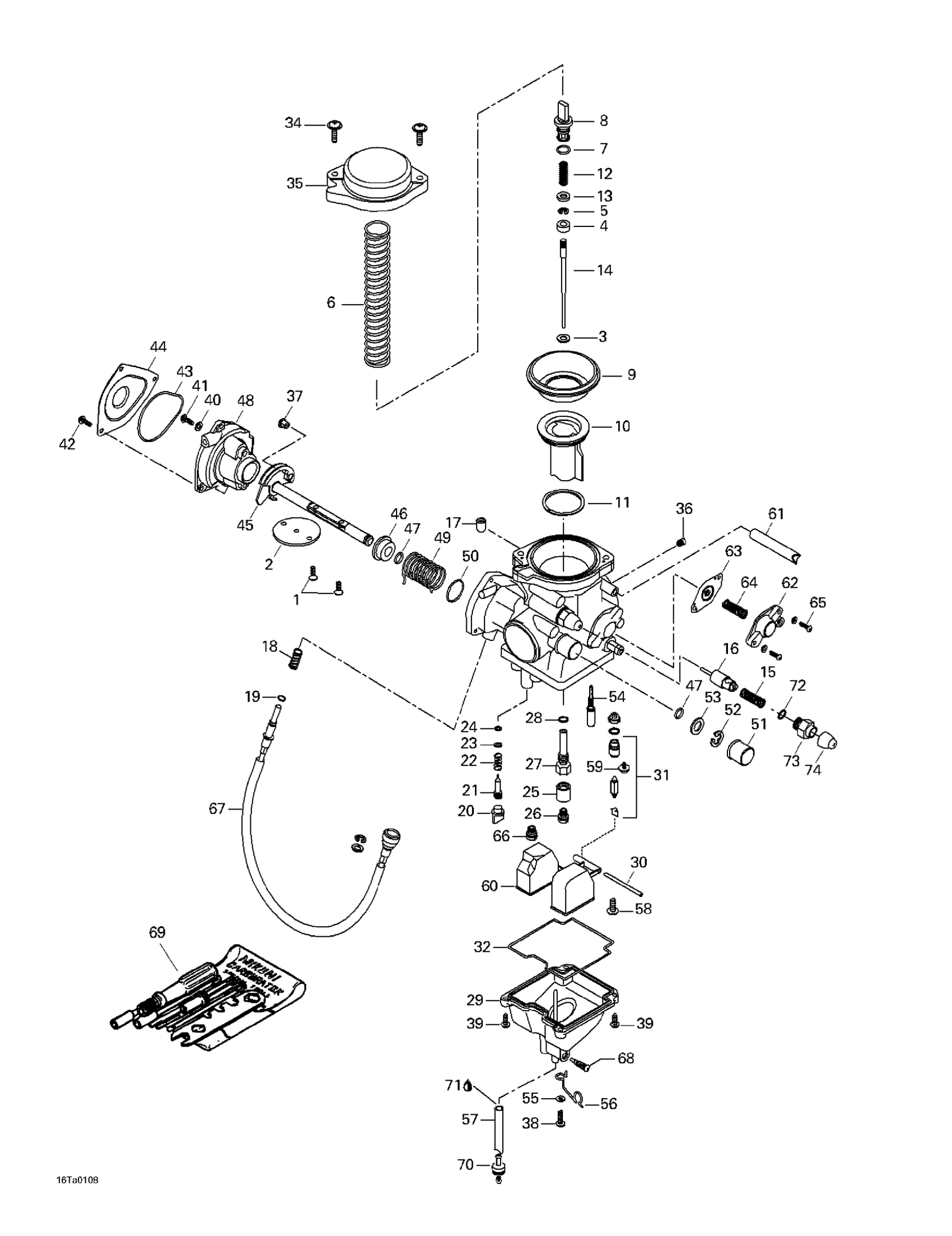
Can-Am Traxter XL, 7448/7489, 2001 Carburetor Diagram
#
1
Carburetor BSR 33-27
707200149
Unavailable
1
Not Available As Spare Part - Friction Washer
Unavailable
2
Not Available As Spare Part - Friction Washer
Unavailable
3
WASHER - Call your local BRP dealership
707200064
Unavailable
4
RING - Call your local BRP dealership
707200065
Unavailable
6
Spring
707200066
Unavailable
7
O-RING - Call your local BRP dealership
270500144
Unavailable
8
HOLDER - Call your local BRP dealership
707200067
Unavailable
9
DIAPHRAGM - Call your local BRP dealership
707200068
Unavailable
10
Piston Valve
707200069
Unavailable
11
Ring
707200070
Unavailable
12
SPRING - Call your local BRP dealership
707200071
Unavailable
13
WASHER - Call your local BRP dealership
707200072
Unavailable
14
NEEDLE J8-5FEY01-3 - Call your local BRP dealership | 400HO
707200109
Unavailable
15
SPRING - Call your local BRP dealership
707200144
Unavailable
16
Plunger Ass'y
707200170
Unavailable
17
CAP - Call your local BRP dealership
404154900
Unavailable
19
WASHER - Call your local BRP dealership
707200141
Unavailable
20
CAP - Call your local BRP dealership
707200004
Unavailable
21
ADJUSTER - Call your local BRP dealership
707200077
Unavailable
22
Spring
707200078
Unavailable
23
WASHER - Call your local BRP dealership
707200018
Unavailable
24
O-RING - Call your local BRP dealership
404139900
Unavailable
25
RING - Call your local BRP dealership
707200079
Unavailable
26
Main Jet 130
270500163
Unavailable
27
Jet Holder
707200080
Unavailable
28
O-RING - Call your local BRP dealership
270500119
Unavailable
29
Float Body Ass'y
707200081
Unavailable
30
Pin
404123400
Unavailable
33
Needle Jet
707200084
Unavailable
34
SCREW - Call your local BRP dealership
707200085
Unavailable
35
DIAPHRAGM COVER - Call your local BRP dealership
707200086
Unavailable
36
Pilot Jet 60.0
707200087
Unavailable
37
CABLE GUIDE - Call your local BRP dealership
707200058
Unavailable
39
Screw
707200153
Unavailable
40
Not Available As Spare Part - Friction Washer
Unavailable
41
Not Available As Spare Part - Friction Washer
Unavailable
42
SCREW - Call your local BRP dealership
707200091
Unavailable
43
O-RING - Call your local BRP dealership
707200092
Unavailable
44
COVER - Call your local BRP dealership
707200093
Unavailable
45
Not Available As Spare Part - Friction Washer
Unavailable
46
Not Available As Spare Part - Friction Washer
Unavailable
47
Not Available As Spare Part - Friction Washer
Unavailable
48
Not Available As Spare Part - Friction Washer
Unavailable
49
Not Available As Spare Part - Friction Washer
Unavailable
50
Not Available As Spare Part - Friction Washer
Unavailable
51
Not Available As Spare Part - Friction Washer
Unavailable
52
Not Available As Spare Part - Friction Washer
Unavailable
53
Not Available As Spare Part - Friction Washer
Unavailable
54
PILOT JET 32.5 - Call your local BRP dealership
707200100
Unavailable
55
Washer
707200101
Unavailable
56
Clip
707200102
Unavailable
57
Hose
707200041
Unavailable
58
SCREW - Call your local BRP dealership
404138600
Unavailable
60
FLOAT ASS?Y - Call your local BRP dealership
707200103
Unavailable
61
Hose
707200104
Unavailable
62
Cover Ass’y
707200105
Unavailable
63
DIAPHRAGM ASS?Y - Call your local BRP dealership
707200106
Unavailable
64
Spring
707200107
Unavailable
65
SCREW - Call your local BRP dealership
404901400
Unavailable
66
Main Jet 57.5
707200143
Unavailable
67
ADJUSTER CABLE - Call your local BRP dealership
707200146
Unavailable
68
SCREW - Call your local BRP dealership
707200024
Unavailable
69
TOOL KIT - Call your local BRP dealership
404112000
Unavailable
72
O-Ring
404140200
Unavailable
73
Holder Guide
707200009
Unavailable
74
CAP - Call your local BRP dealership
707200010
Unavailable
