Traxter XL, 7448/7489, 2001
01- Clutch Housing And Cover
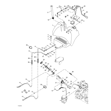
01- Cooling System
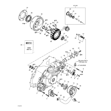
01- Crankcase
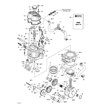
01- Crankshaft, Pistons And Cylinder
01- Exhaust System
02- Air Intake Silencer
02- Carburetor
02- Fuel Tank
03- Ignition And Water Pump
04- Rewind Starter, Electric Starter
05- Clutch
05- Drive System, Front
05- Drive System, Rear
05- Gear Shift
05- Transmission
06- Hydraulic Brake (7448 Sn Up To V000708)
06- Hydraulic Brake (7489) (7448 From Sn V000709)
07- Front Suspension
07- Steering System
08- Rear Suspension
09- Body And Accessories
09- Decals
09- Frame And Luggage Racks
09- Front Tray
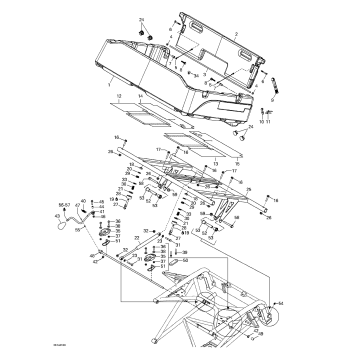
09- Rear Cargo Box
09- Seat
10- Battery And Electrical Accessories
10- Main Harness And Electrical Accessories
Fuel Your Passion
Parts That Keep You Riding
Edit ride