- Partiron
- OEM Parts
- Can-Am
- ATV
- 2001
- Traxter Footshift
- Traxter Footshift, Red/rouge, 2001
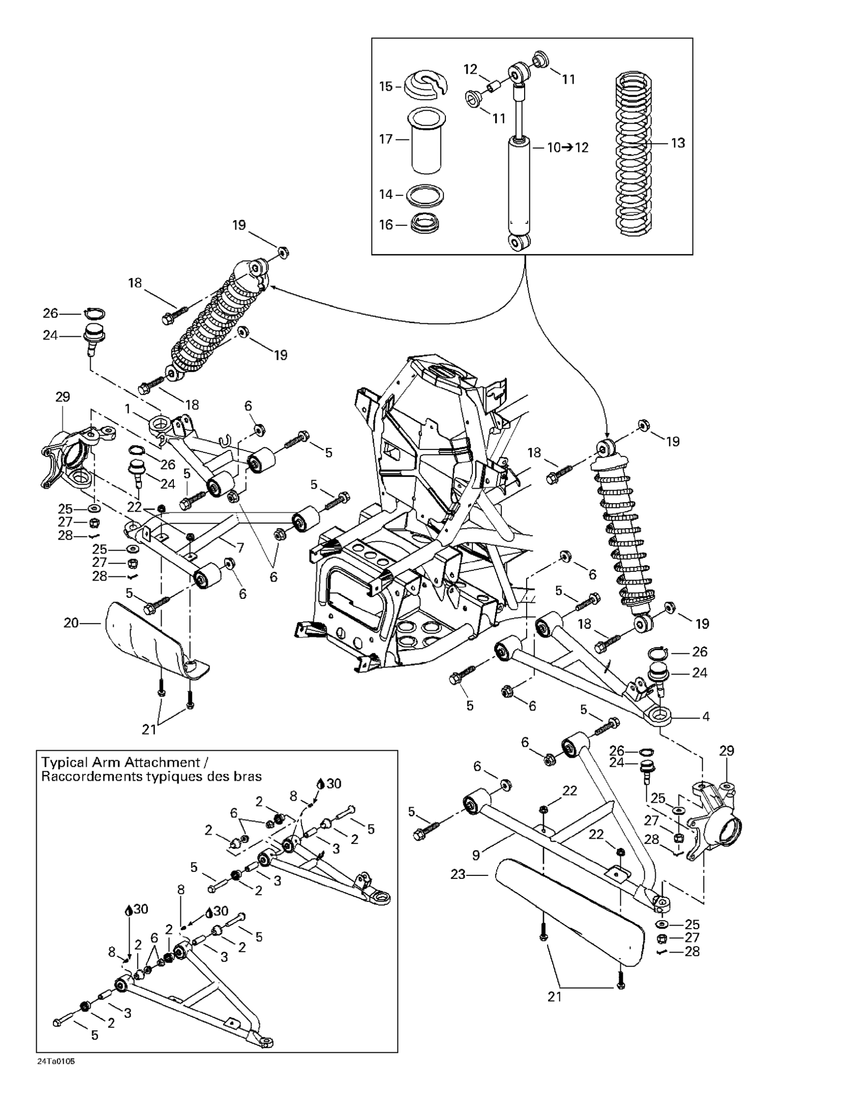
Front Suspension
Can-Am Traxter Footshift, Red/rouge, 2001 Front Suspension Diagram
#
Description
Price
1
RH Upper Arm
706200152
Unavailable
RH UPPER ARM - Call your local BRP dealership
706200187
Unavailable
4
LH Upper Arm
706200155
Unavailable
LH upper arm
706200193
Unavailable
7
RH Lower Arm (7431 @ 7434)
706200159
Unavailable
RH LOWER ARM - Call your local BRP dealership | (7461 / 7462 / 7469 / 7470 / 7471 / 7480)
706200196
Unavailable
9
LH Lower Arm (7431 @ 7434)
706200161
Unavailable
LH LOWER ARM - Call your local BRP dealership | (7461 / 7462 / 7469 / 7470 / 7471 / 7480)
706200200
Unavailable
10
Front Shock | Includes 10 - 12.
706200137
Unavailable
11
CUSHION - Call your local BRP dealership
706200185
Unavailable
12
BUSHING - Call your local BRP dealership
706200186
Unavailable
13
FRONT SPRING - Call your local BRP dealership
706200006
Unavailable
14
SPRING SEAT - Call your local BRP dealership
706000533
Unavailable
16
Spring seat
706000007
Unavailable
17
PROTECTOR - Call your local BRP dealership
503139800
Unavailable
18
HEX. FLANGED SCREW M10 X 45 - Call your local BRP dealership
207604544
Unavailable
20
Arm Protector R.H
706200007
Unavailable
RH ARM PROTECTOR - Call your local BRP dealership
706200179
Unavailable
23
Arm Protector L.H
706200009
Unavailable
LH ARM PROTECTOR - Call your local BRP dealership
706200180
Unavailable
25
Hardened Washer
503175400
Unavailable
29
Knuckle Kit RH (7431 @ 7434) | Includes 63 - 73.
703500063
Unavailable
RH Knuckle
709400095
Unavailable
Knuckle Kit LH(7431 @ 7434)
703500064
Unavailable
LH KNUCKLE - Call your local BRP dealership
709400097
Unavailable
30
Synthetic Grease, 400 G
293550010
Unavailable
