Traxter Footshift, Red/rouge, 2001
01- Clutch Housing And Cover
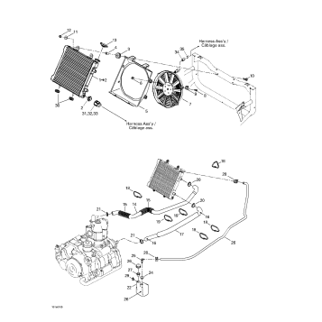
01- Cooling System
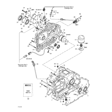
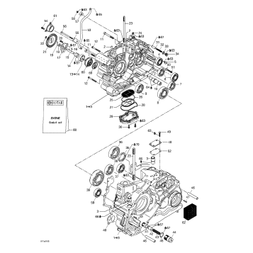
01- Crankcase
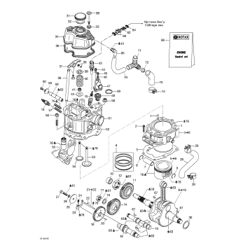
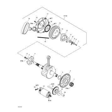
01- Crankshaft, Pistons And Cylinder
01- Exhaust System
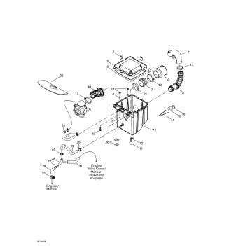
02- Air Intake Silencer
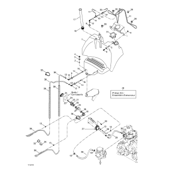
02- Carburetor
02- Fuel Tank
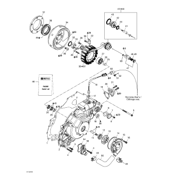
03- Ignition And Water Pump
04- Rewind Starter, Electric Starter
05- Clutch
05- Drive System, Front
05- Drive System, Rear
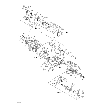
05- Footshift
05- Gear Shift
05- Transmission
06- Hydraulic Brake ( 7473 7474 )
06- Hydraulic Brake (7439 7440
07- Front Suspension
07- Steering System
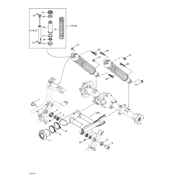
08- Rear Suspension
09- Body And Accessories
09- Decals
09- Frame And Luggage Racks
09- Front Tray
09- Seat
10- Battery And Electrical Accessories
10- Main Harness And Electrical Accessories
Fuel Your Passion
Parts That Keep You Riding
Edit ride