TRAIL BOSS 330 - A05CA32AA
A-ARM/STRUT MOUNTING - A05CA32AA/AB/AC/FA (4994839483B07)
AIR BOX - A05CA32AA/AB/AC/FA (4994839483A11)
BUMPER and RACK MOUNTING - A05CA32AA/AB/AC/FA (4994839483A06)
CARBURETOR - A05CA32AA/AB/AC/FA (4994839483C10)
CLUTCH COVER - A05CA32AA/AB/AC/FA (4994839483B12)
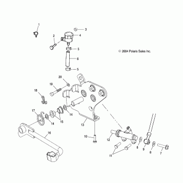
CONTROLS - MASTER CYLINDER/BRAKE LINE - A05CA32AA/AB/AC/FA (4994839483B05)
CRANKCASE - A05CA32AA/AB/AC/FA (4999201699920169C12)
CRANKSHAFT and PISTON - A05CA32AA/AB/AC/FA (4999201699920169D02)
CYLINDER - A05CA32AA/AB/AC/FA (4999201699920169D01)
DECALS - A05CA32AA/AB/AC/FA (4994839483A05)
DRIVE CLUTCH - A05CA32AA/AB/AC/FA (4994139413C07)
DRIVEN CLUTCH - A05CA32AA/AB/AC/FA (4999200059920005C06)
ELECTRICAL/TAILLIGHT - A05CA32AA/AB/AC/FA (4994839483C01)
ENGINE MOUNTING - A05CA32AA/AB/AC/FA (4994839483A07)
EXHAUST SYSTEM - A05CA32AA/AB/AC/FA (4999202939920293A09)
FRONT BRAKE - A05CA32AA/AB/AC/FA (4999200489920048B04)
FRONT CAB - A05CA32AA/AB/AC/FA (4994839483A03)
FRONT WHEEL - A05CA32AA/AB/AC/FA (4999202939920293A13)
FUEL PUMP - A05CA32AA/AB/AC/FA (4999200099920009D11)
FUEL TANK - A05CA32AA/AB/AC/FA (4994839483A12)
GEAR SELECTOR - A05CA32AA/AB/AC/FA (4999202939920293C04)
GEARCASE - A05CA32AA/AB/AC/FA (4994739473C03)
GEARCASE MOUNTING - A05CA32AA/AB/AC/FA (4994839483C02)
HANDLEBAR - A05CA32AA/AB/AC/FA (4994839483B08)
INTAKE and EXHAUST - A05CA32AA/AB/AC/FA (4999201699920169D03)
MAGNETO - A05CA32AA/AB/AC/FA (4999202939920293C13)
OIL COOLING - A05CA32AA/AB/AC/FA (4994839483A09)
OIL PUMP and OIL FILTER - A05CA32AA/AB/AC/FA (4999201699920169D05)
REAR BRAKE MASTER CYLINDER - A05CA32AA/AB/AC/FA (4994839483B03)
REAR CAB and SEAT - A05CA32AA/AB/AC/FA (4994839483A04)
REAR CALIPER MOUNTING - A05CA32AA/AB/AC/FA (4999202939920293B01)
REAR HOUSING - A05CA32AA/AB/AC/FA (4999201549920154C03)
REAR WHEEL - A05CA32AA/AB/AC/FA (4999201499920149B08)
RECOIL STARTER - A05CA32AA/AB/AC/FA (4999201549920154D04)
STARTING MOTOR - A05CA32AA/AB/AC/FA (4994839483D01)
STEERING POST - A05CA32AA/AB/AC/FA (4994839483B06)
STRUT - A05CA32AA/AB/AC/FA (4994839483A13)
SWING ARM/SHOCK MOUNTING - A05CA32AA/AB/AC/FA (4994839483B11)
THROTTLE CONTROL/THROTTLE CABLE - A05CA32AA/AB/AC/FA (4994889488B07)
TOOL KIT - A05CA32AA/AB/AC/FA (4999202939920293D02)
Fuel Your Passion
Parts That Keep You Riding
Edit ride