TRAIL BOSS 330 - A03CA32AA
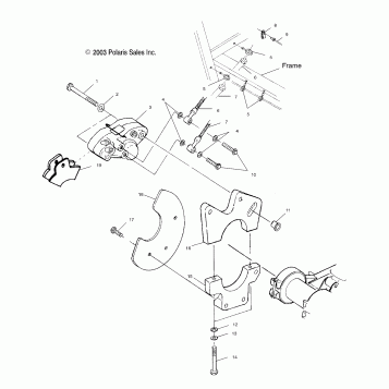
A-ARM/STRUT MOUNTING - A03CA32AA (4994839483B07)
AIR BOX - A03CA32AA (4978627862A11)
BUMPER and RACK MOUNTING - A03CA32AA (4978627862A06)
CARBURETOR - A03CA32AA (4978627862C09)
CLUTCH COVER - A03CA32AA (4978627862B12)
CONTROLS-MASTER CYLINDER/BRAKE LINE - A03CA32AA (4986248624B05)
CRANKCASE - A03CA32AA (4999201699920169C12)
CRANKSHAFT and PISTON - A03CA32AA (4999201699920169D02)
CYLINDER - A03CA32AA (4978627862C07)
DECALS - A03CA32AA (4978627862A05)
DRIVE CLUTCH - A03CA32AA (4987258725C06)
DRIVEN CLUTCH - A03CA32AA (4999200059920005C06)
ELECTRICAL/TAILLIGHT - A03CA32AA (4986248624C01)
ENGINE MOUNTING - A03CA32AA (4978627862A07)
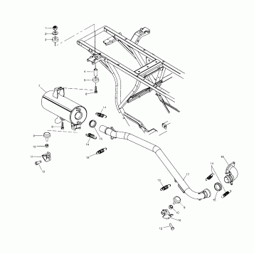
EXHAUST SYSTEM - A03CA32AA (4978627862A10)
FRONT BRAKE - A03CA32AA (4978627862B01)
FRONT CAB - A03CA32AA (4978627862A03)
FRONT WHEEL - A03CA32AA (4994889488B06)
FUEL PUMP - A03CA32AA (4999200099920009D11)
FUEL TANK - A03CA32AA (4978627862A12)
GEAR SELECTOR - A03CA32AA (4978627862C05)
GEARCASE - A03CA32AA (4975037503C03)
GEARCASE MOUNTING - A03CA32AA (4978627862C02)
HANDLEBAR - A03CA32AA (4978627862B08)
INTAKE and EXHAUST - A03CA32AA (4999201699920169D03)
MAGNETO - A03CA32AA (4977487748E01)
OIL COOLING - A03CA32AA (4978627862A09)
OIL PUMP and OIL FILTER - A03CA32AA (4999201699920169D05)
REAR BRAKE MASTER CYLINDER - A03CA32AA (4978627862B03)
REAR CAB and SEAT - A03CA32AA (4978627862A04)
REAR CALIPER MOUNTING - A03CA32AA (4986248624B02)
REAR HOUSING - A03CA32AA (4986228622C03)
REAR WHEEL - A03CA32AA (4986228622C02)
RECOIL STARTER - A03CA32AA (4999201549920154D04)
STARTING MOTOR - A03CA32AA (4994839483D01)
STEERING POST - A03CA32AA (4978627862B06)
STRUT - A03CA32AA (4949354935b008)
SWING ARM/SHOCK MOUNTING - A03CA32AA (4978627862B11)
THROTTLE CONTROL/THROTTLE CABLE - A03CA32AA (4994889488B07)
TOOL KIT - A03CA32AA (4978627862D03)
Fuel Your Passion
Parts That Keep You Riding
Edit ride