TRAIL BOSS 2X4 - W917527
AIR BOX ASSEMBLY 2X4 (4919781978019A)
BODY ASSEMBLY 250 2X4 - Update (4919781978001A)
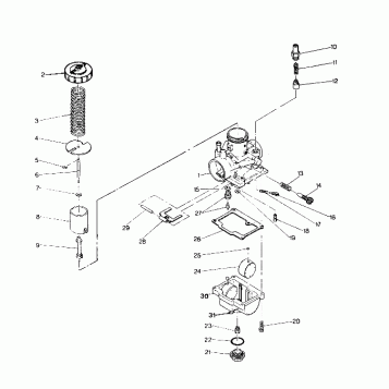
CARBURETOR ASSEMBLY 250 2x4 - Update (4919781978036A)
CLUTCH COVER ASSEMBLY 250 2X4 - Update (4919781978020A)
CONTROL ASSEMBLY 250 2X4 - Update (4919781978013A)
CRANKCASE and CYLINDER 250 2X4 - Update (4919781978033A)
CRANKSHAFT and PISTON 250 2X4 - Update (4919781978034A)
DRIVE CLUTCH ASSEMBLY 250 2X4 - Update (4919781978023A)
DRIVEN CLUTCH ASSEMBLY 250 2X4 - Update (4919781978024A)
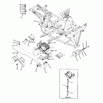
ENGINE and MUFFLER MOUNTING 250 2X4 - Update (4919781978005A)
FAN MOTOR 250 2X4 - Update (4919781978041A)
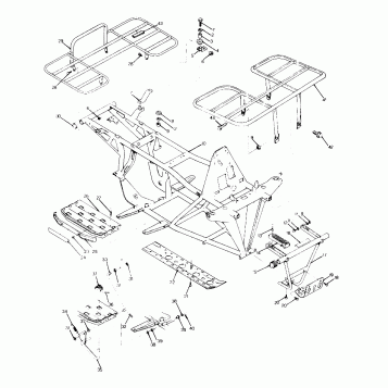
FRAME ASSEMBLY with RACKS 250 2X4 - Update (4919781978003A)
FRONT BRAKE ASSEMBLY 250 2X4 - Update (4919781978016A)
FRONT WHEEL ASSEMBLY 2X4 (4919781978015A)
FUEL STRAINER 250 2x4 - Update (4919781978042A)
FUEL TANK ASSEMBLY 250 2X4 - Update (4919781978009A)
GEARCASE ASSEMBLY 2X4 (4919781978025A)
HEADLIGHT ASSEMBLY 2X4 (4919781978007A)
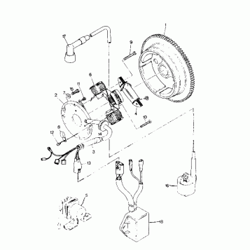
MAGNETO ASSEMBLY 250 2X4 - Update (4919781978038A)
OIL PUMP ASSEMBLY 250 2X4-Update (4919781978035A)
REAR BRAKE ASSEMBLY 250 2X4 - Update (4919781978030A)
REAR WHEEL DRIVE ASSEMBLY 250 2X4 - Update (4919781978017A)
RECOIL STARTER ASSEMBLY 250 2X4 - Update (4919781978039A)
RH GEARCASE and BRAKE MOUNTING 250 2X4 - Update (4919781978029A)
SHIFT LINKAGE ASSEMBLY 250 2X4 - Update (4919781978031A)
STARTING MOTOR ASSEMBLY 250 2X4 - Update (4919781978037A)
STEERING ASSEMBLY 250 2X4 - Update (4919781978011A)
STRUT ASSEMBLY 2X4 (4919781978008A)
SWING ARM WELDMENT/REAR SHOCK ASM. 250 2X4 - Update (4919781978021A)
TOOL KIT ASSEMBLY 2X4 (4919781978040A)
WIRING HARNESS 250 2X4 - Update (4919781978027A)
Fuel Your Passion
Parts That Keep You Riding
Edit ride