TRAIL BLAZER - A00BA25CA
A-ARM/STRUT MOUNTING - A00BA25CA (4954825482B004)
AIR BOX - A00BA25CA (4954825482A013)
CARBURETOR - A00BA25CA (4954825482D001)
CLUTCH COVER - A00BA25CA (4954825482C004)
CONTROL PANEL - A00BA25CA (4954825482A008)
CONTROLS - MASTER CYLINDER/BRAKE LINE - A00BA25CA (4954825482B008)
CONTROLS - THROTTLE ASM./CABLE - A00BA25CA (4954825482B007)
CRANKCASE and CYLINDER - A00BA25CA (4954825482C009)
CRANKSHAFT and PISTON - A00BA25CA (4954825482C010)
DECALS - A00BA25CA (4954825482A011)
DRIVE CLUTCH - A00BA25CA (4954825482B009)
DRIVEN CLUTCH - A00BA25CA (4954825482B010)
ELECTRICAL/TAILLIGHT - A00BA25CA (4954825482C003)
ENGINE MOUNTING - A00BA25CA (4954825482A009)
EXHAUST SYSTEM - A00BA25CA (4954825482A010)
FRONT BRAKE - A00BA25CA (4954825482B003)
FRONT BUMPER and SHIELDS - A00BA25CA (4954825482A007)
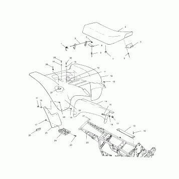
FRONT CAB - A00BA25CA (4954825482A005)
FRONT WHEEL - A00BA25CA (4954825482B002)
FUEL TANK - A00BA25CA (4954825482A012)
GEAR SELECTOR - A00BA25CA (4954825482C005)
GEARCASE - A00BA25CA (4954825482C006)
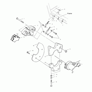
GEARCASE MOUNTING - A00BA25CA (4954825482C008)
HANDLEBAR - A00BA25CA (4954825482B005)
MAGNETO - A00BA25CA (4954825482C011)
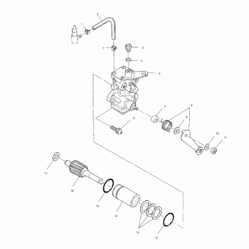
OIL PUMP - A00BA25CA (4954825482C014)
OIL TANK - A00BA25CA (4954825482A014)
REAR BRAKE MASTER CYLINDER - A00BA25CA (4954825482B014)
REAR CAB - A00BA25CA (4954825482A006)
REAR CALIPER MOUNTING - A00BA25CA (4954825482B013)
REAR HOUSING - A00BA25CA (4954825482C002)
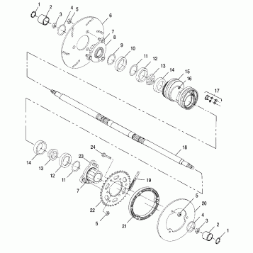
REAR WHEEL - A00BA25CA (4954825482C001)
RECOIL STARTER - A00BA25CA (4954825482C013)
SHOCK MOUNTING - A00BA25CA (4954825482B011)
STARTING MOTOR - A00BA25CA (4954825482C012)
STEERING POST - A00BA25CA (4954825482B006)
STRUT - A00BA25CA (4949354935B008)
SWING ARM/SHOCK MOUNTING - A00BA25CA (4954825482B012)
TOOL KIT - A00BA25CA (4954825482D002)
Fuel Your Passion
Parts That Keep You Riding
Edit ride