SPORTSMAN 800 EFI - A05MH76AC/AU/AW
A-ARM and STRUT MOUNTING - A05MH76AC/AT/AU/AW (4977217721C07)
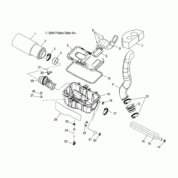
AIR BOX - A05MH76AC/AT/AU/AW (4977217721B03)
BRAKE LINES, FRONT - A05MH76AC/AT/AU/AW (4999200059920005B04)
BRAKE, FRONT - A05MH76AC/AT/AU/AW (4999206649920664B04)
CAB, FRONT - A05MH76AC/AT/AU/AW (4977217721A05)
CAB, REAR and SEAT - A05MH76AC/AT/AU/AW (4977217721A03)
CALIPER, REAR - A05MH76AC/AT/AU/AW (4999200139920013B05)
CLUTCH COVER - A05MH76AC/AT/AU/AW (4994279427C12)
CONTROLS - A05MH76AC/AT/AU/AW (4999200299920029B01)
CONTROLS-THROTTLE ASM/CABLE - A05MH76AC/AT/AU/AW (4994169416B09)
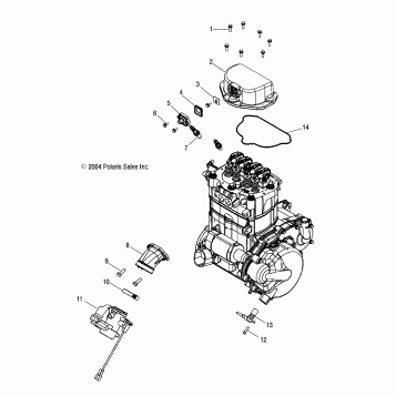
COOLING SYSTEM - A05MH76AC/AT/AU/AW (4977217721A13)
CRANKCASE and CRANKSHAFT - A05MH76AC/AT/AU/AW (4999200299920029D06)
DECALS - A05MH76AC/AT (4977217721A10)
DECALS - A05MH76AU/AW (4977217721A11)
DIPSTICK and OIL FILTER - A05MH76AC/AT/AU/AW (4999200229920022D10)
DRIVE CLUTCH - A05MH76AC/AT/AU/AW (4977217721C10)
DRIVE SHAFT, FRONT - A05MH76AC/AT/AU/AW (4994169416B10)
DRIVE SHAFT, REAR - A05MH76AC/AT/AU/AW (4994279427B13)
DRIVEN CLUTCH - A05MH76AC/AT/AU/AW (4977217721C11)
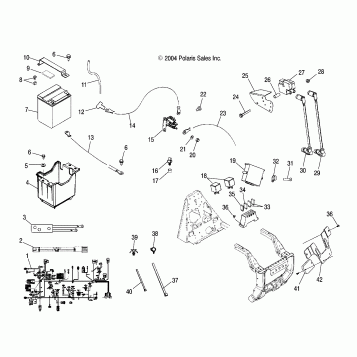
ELECTRICAL - A05MH76AC/AT/AU/AW (4977217721D03)
ENGINE MOUNTING - A05MH76AC/AT/AU/AW (4977217721B01)
EXHAUST SYSTEM - A05MH76AC/AT/AU/AW (4977217721A12)
FRONT HOUSING - A05MH76AC/AT/AU/AW (4994229422D04)
FUEL INJECTOR - A05MH76AC/AT/AU/AW (4999200299920029D13)
FUEL TANK - A05MH76AC/AT/AU/AW (4977217721B04)
GEAR SELECTOR - A05MH76AC/AT/AU/A (4999609960C08)
GEARCASE - A05MH76AC/AT/AU/AW (4994279427D05)
GEARCASE MOUNTING, REAR - A05MH76AC/AT/AU/AW (4999200229920022D04)
GEARCASE, REAR - A05MH76AC/AT/AU/AW (4994229422D05)
HANDLEBAR and HEADLIGHT POD - A05MH76AC/AT/AU/AW (4977217721C01)
INTAKE - A05MH76AC/AT/AU/AW (4977217721E02)
MAGNETO - A05MH76AC/AT/AU/AW (4999200299920029D14)
MANIFOLD and THERMOSTAT - A05MH76AC/AT/AU/AW (4999200229920022D05)
MASTER CYLINDER, REAR and FOOT PEDAL - A05MH76AC/AT/AU/AW (4977217721B09)
OIL PUMP and WATER PUMP - A05MH76AC/AT/AU/AW (4999200299920029D12)
PISTON and CYLINDER - A05MH76AC/AT/AU/AW (4999200229920022D07)
PROP SHAFT, FRONT - A05MH76AC/AT/AU/AW (4999200179920017B10)
PROP SHAFT, REAR - A05MH76AC/AT/AU/AW (4999200299920029B10)
RACK MOUNTING, REAR - A05MH76AC/AT/AU/AW (4994169416A06)
STARTING MOTOR - A05MH76AC/AT/AU/AW (4999200299920029E01)
STEERING POST - A05MH76AC/AT/AU/AW (4999200139920013C03)
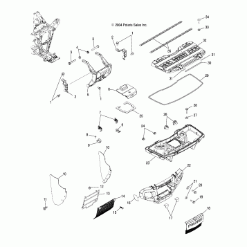
STORAGE BOX, REAR - A05MH76AC/AT/AU/AW (4977217721A09)
STORAGE, FRONT and BUMPER MOUNTING - A05MH76AC/AT/AU/AW (4977217721A07)
STRUT, FRONT - A05MH76AC/AT/AU/AW (4999609960C02)
SUSPENSION, REAR - A05MH76AC/AT/AU/AW (4977217721D01)
TAILLAMPS/WORKLAMPS/HEADLIGHTS - A05MH76AU/AW (4999200139920013C01)
THROTTLE BODY MOUNTING - A05MH76AC/AT/AU/AW (4977217721E01)
TOOL KIT - A05MH76AC/AT/AU/AW (4999200229920022E01)
TRANSMISSION MOUNTING - A05MH76AC/AT/AU/AW (4994199419D01)
WHEEL, FRONT - A05MH76AC/AT (4994169416B14)
WHEEL, FRONT - A05MH76AU/AW (4999200299920029C01)
WHEEL, REAR - A05MH76AC/AT (4999200179920017C11)
WHEEL, REAR - A05MH76AU/AW (4999200299920029C10)
WINCH - A05MH76AT (4994169416E04)
Fuel Your Passion
Parts That Keep You Riding
Edit ride