SPORTSMAN 6X6 - A06CL50AA
A-ARM/STRUT MOUNTING - A06CL50AA (4999201649920164B05)
AIR BOX - A06CL50AA (4999201649920164C05)
BRAKE CALIPER, REAR - A06CL50AA (4999201649920164B10)
BRAKE, FRONT - A06CL50AA (4975687568B04)
CAB, FRONT - A06CL50AA (4999201649920164A03)
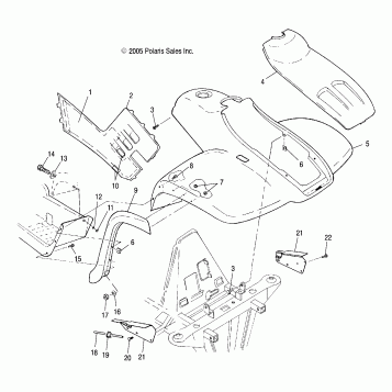
CAB, REAR and SEAT - A06CL50AA (4999201649920164A04)
CALIPER MOUNTING, REAR - A06CL50AA (4999201649920164C07)
CARBURETOR - A06CL50AA (4999201649920164D08)
CARBURETOR MOUNTING/VENTING/FUEL LINES - A06CL50AA (4999201649920164A10)
CLUTCH COVER - A06CL50AA (4995019501C06)
CONTROLS - MASTER CYLINDER/BRAKE LINE - A06CL50AA (4999201649920164B08)
CONTROLS - RH MASTER CYLINDER/BRAKE LINE - A06CL50AA (4999201649920164B09)
CONTROLS-THROTTLE ASM/CABLE - A06CL50AA (4999201649920164B07)
COOLING SYSTEM - A06CL50AA (4999201649920164A07)
CRANKCASE - A06CL50AA (4999201549920154C12)
CRANKSHAFT and PISTON - A06CL50AA (4999201649920164D06)
CYLINDER - A06CL50AA (4999201649920164D07)
DECALS - A06CL50AA (4999201649920164A05)
DRIVE CLUTCH - A06CL50AA (4994139413C07)
DRIVE SHAFT - A06CL50AA (4999201649920164A14)
DRIVE, REAR - A06CL50AA (4999201649920164B12)
DRIVEN CLUTCH - A06CL50AA (4999201699920169B13)
DUMP BOX - A06CL50AA (4999201649920164C10)
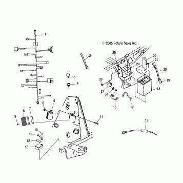
ELECTRICAL - A06CL50AA (4999201649920164C09)
ENGINE MOUNTING - A06CL50AA (4999201649920164A09)
EXHAUST SYSTEM - A06CL50AA (4999201649920164A08)
FUEL PUMP - A06CL50AA (4999200099920009D11)
FUEL SYSTEM - A06CL50AA (4999201649920164A11)
GEAR SELECTOR - A06CL50AA (4999201649920164C11)
GEARCASE - A06CL50AA (4999201649920164C13)
GEARCASE MOUNTING - A06CL50AA (4999201649920164C08)
GEARCASE SELECTOR MOUNTING - A06CL50AA (4999201649920164C12)
GEARCASE, INTERNAL - A06CL50AA (4999201649920164C14)
GEARCASE, OUTPUT - A06CL50AA (4999201649920164D01)
HANDLEBAR and HEADLIGHT POD - A06CL50AA (4999201649920164D02)
HOUSING, FRONT - A06CL50AA (4999201649920164B01)
IGNITION SWITCH/CHOKE - A06CL50AA (4999201649920164D04)
INTAKE and EXHAUST - A06CL50AA (4999200099920009D09)
MAGNETO - A06CL50AA (4999200099920009E02)
MIDDLE DRIVE - A06CL50AA (4999201649920164B11)
OIL FILTER - A06CL50AA (4999200099920009D13)
OIL PUMP - A06CL50AA (4999201649920164D12)
OIL TANK - A06CL50AA (4999201649920164A12)
PROP SHAFT - A06CL50AA (4999201649920164A13)
RACK, FRONT and BUMPER MOUNTING - A06CL50AA (4999201649920164A06)
RECOIL STARTER - A06CL50AA (4999201549920154D04)
SPEEDOMETER - A06CL50AA (4999201649920164D03)
STARTING MOTOR - A06CL50AA (4999201549920154D09)
STEERING POST - A06CL50AA (4999201649920164B06)
STRUT STABILIZER, REAR - A06CL50AA (4999201649920164C01)
STRUT, FRONT - A06CL50AA (4999201649920164B02)
SWING ARM WELDMENT, REAR - A06CL50AA (4999201649920164C02)
SWING ARM/SHOCK MOUNTING - A06CL50AA (4999201649920164B13)
TOOL KIT - A06CL50AA (4995019501E03)
WATER PUMP - A06CL50AA (4999200099920009D10)
WHEEL, FRONT - A06CL50AA (4999201649920164B03)
WHEEL, REAR and MIDDLE - A06CL50AA (4999201649920164B14)
Fuel Your Passion
Parts That Keep You Riding
Edit ride