SPORTSMAN 600 - A05MH59AK
A-ARM and STRUT MOUNTING - A05MH59AK/AN (4999200299920029C03)
A05MH59AK/AN (4999200139920013B05)
AIR BOX - A05MH59AK/AN (4994199419A12)
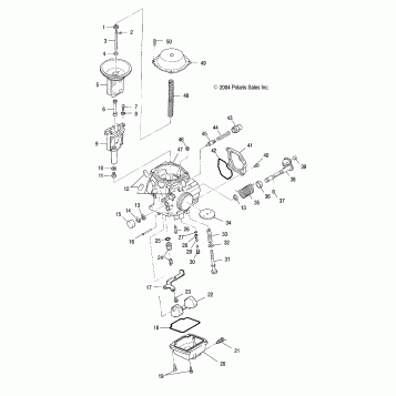
CARBURETOR - A05MH59AK/AN (4994199419D11)
CLUTCH COVER - A05MH59AK/AN (4994279427C12)
CONTROLS - A05MH59AK/AN (4999200139920013B02)
CONTROLS-THROTTLE ASM/CABLE - A05MH59AK/AN (4999201649920164B07)
COOLING SYSTEM - A05MH59AK/AN (4994199419A13)
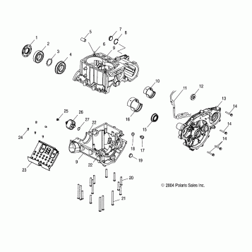
CRANKCASE - A05MH59AK/AN (4994199419D07)
CRANKSHAFT and PISTON - A05MH59AK/AN (4994199419D08)
CYLINDER and CYLINDER HEAD - A05MH59AK/AN (4994199419D09)
DECALS - A05MH59AK/AN (4994199419A10)
DRIVE CLUTCH - A05MH59AK/AN (4994279427C10)
DRIVEN CLUTCH - A05MH59AK/AN (4999200139920013C06)
ELECTRICAL - A05MH59AK/AN (4994229422C14)
ENGINE MOUNTING - A05MH59AK/AN (4994199419B01)
EXHAUST SYSTEM - A05MH59AK/AN (4994199419A11)
FRONT BRAKE - A05MH59AK/AN (4999201699920169A10)
FRONT BRAKE LINES - A05MH59AK/AN (4999200059920005B04)
FRONT CAB - A05MH59AK/AN (4994199419A05)
FRONT DRIVE SHAFT - A05MH59AK/AN (4994169416B10)
FRONT HOUSING - A05MH59AK/AN (4994229422D04)
FRONT PROP SHAFT - A05MH59AK/AN (4999200179920017B10)
FRONT STORAGE and BUMPER MOUNTING - A05MH59AK/AN (4994199419A07)
FRONT STRUT - A05MH59AK/AN (4999609960C02)
FRONT WHEEL - A05MH59AK/AN (4994169416B14)
FUEL TANK - A05MH59AK/AN (4994199419B03)
GEAR SELECTOR - A05MH59AK/AN (4999609960C08)
GEARCASE - A05MH59AK/AN (4994199419D02)
HANDLEBAR and HEADLIGHT POD - A05MH59AK/AN (4994139413C01)
INTAKE and EXHAUST - A05MH59AK/AN (4999200179920017D11)
MAGNETO - A05MH59AK/AN (4994199419E03)
MASTER CYLINDER, REAR AND FOOT PEDAL - A05MH59AK/AN (4994229422B08)
OIL DIPSTICK - A05MH59AK/AN (4999200179920017D12)
OIL PUMP - A05MH59AK/AN (4994199419E02)
REAR CAB and SEAT - A05MH59AK/AN (4994199419A03)
REAR CALIPER - A05MH59AK/AN (4999200139920013B05)
REAR DRIVE SHAFT - A05MH59AK/AN (4994279427B13)
REAR GEARCASE - A05MH59AK/AN (4994229422D05)
REAR GEARCASE MOUNTING - A05MH59AK/AN (4999200229920022D04)
REAR PROP SHAFT - A05MH59AK/AN (4999200299920029B10)
REAR RACK MOUNTING - A05MH59AK/AN (4994139413A06)
REAR STORAGE BOX - A05MH59AK/AN (4994139413A09)
REAR SUSPENSION - A05MH59AK/AN (4994199419C11)
REAR WHEEL DRIVE - A05MH59AK/AN (4999200179920017C11)
STARTING MOTOR - A05MH59AK/AN (4994199419E04)
STEERING POST - A05MH59AK/AN (4999200139920013C03)
TAILLAMPS/WORKLAMPS/HEADLIGHTS - A05MH59AK/AN (4999200139920013C01)
TOOL KIT - A05MH59AK/AN (4999200229920022E01)
TRANSMISSION MOUNTING - A05MH59AK/AN (4994199419D01)
WATER PUMP - A05MH59AK/AN (4994199419E01)
Fuel Your Passion
Parts That Keep You Riding
Edit ride