150 Speedster 155, 2009
99- Sport Boats Publications
01- Crankshaft, Pistons And Balance Shaft
01- Cylinder Head
01- Engine Block
02- Air Intake Manifold And Throttle Body _V2_V3
02- Oil Separator
03- PTO Cover And Magneto _V2_V3
10- Engine Harness
01- Cooling System
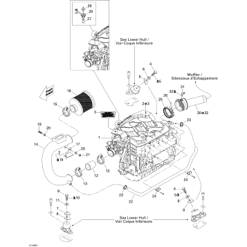
01- Engine And Air Intake Silencer
01- Exhaust System
02- Fuel System
05- Control Handle
05- Propulsion
05- Pump
05- Reverse
07- Steering
09- Body And Accessories
09- Central Cover And Accessories
09- Decals
09- Engine Compartment And Accessories
09- Hull 1
09- Hull 2
09- Ladder, Rear
09- Lower Hull
09- Seat
09- Storage Compartment, Front 1
09- Storage Compartment, Front 2
09- Tower
10- Electrical Accessories 1
10- Electrical Accessories 2
10- Electrical Accessories 3
10- Electrical Harness
10- Electrical System
Fuel Your Passion
Parts That Keep You Riding
Edit ride