- Partiron
- OEM Parts
- Honda
- MOTORCYCLE
- Models With No Year
- QA50A MOTORCYCLE, JPN, VIN# QA50-1000001
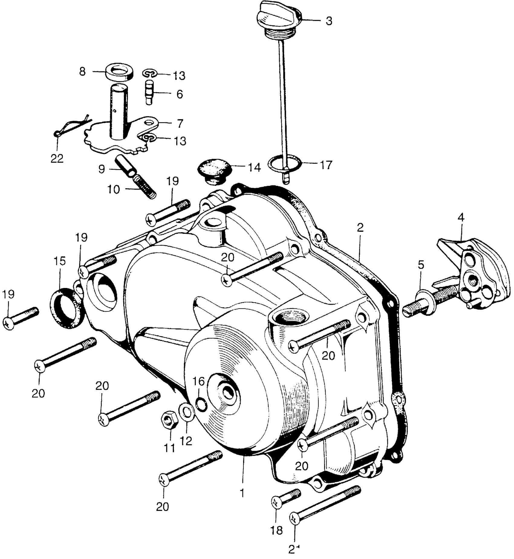
RIGHT CRANKCASE COVER
Honda QA50A MOTORCYCLE, JPN, VIN# QA50-1000001 RIGHT CRANKCASE COVER Diagram
#
Description
Price
1
COVER, R. CRANKCASE (NOT AVAILABLE)
11331-083-000
Unavailable
4
LIFTER, CLUTCH
22830-083-000
Unavailable
5
BOLT, CLUTCH ADJUSTING (NOT AVAILABLE)
22846-001-020
Unavailable
6
PIN, GEARSHIFT (NOT AVAILABLE)
24208-083-000
Unavailable
7
ARM, GEARSHIFT (NOT AVAILABLE) | Use from Engine SN 1069258
24630-083-010
Unavailable
7
GEARSHIFT SET (NOT AVAILABLE) | Use up to Engine SN 1069257
24630-114-305
Unavailable
8
COLLAR, SHIFT ARM (NOT AVAILABLE)
24641-064-000
Unavailable
9
STOPPER, GEARSHIFT ARM (NOT AVAILABLE)
24661-064-000
Unavailable
10
SPRING, GEARSHIFT STOPPER (NOT AVAILABLE)
24672-082-000
Unavailable
11
NUT (8MM) (NOT AVAILABLE)
90281-001-000
Unavailable
14
PLUG, RUBBER (12MM) (NOT AVAILABLE)
90801-083-000
Unavailable
21
SCREW, PAN (6X85) (SOURCE: VINTAGE PARTS INC.)
93500-06085
Unavailable
