QA50A MOTORCYCLE, JPN, VIN# QA50-1000001
AIR CLEANER + STEP BAR
CLUTCH
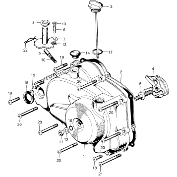
RIGHT CRANKCASE COVER
FRONT SHOCK ABSORBER
FRONT WHEEL
MUFFLER
REAR WHEEL
CYLINDER + CYLINDER HEAD
PISTON + CRANKSHAFT
CARBURETOR K
CRANKCASE + ALTERNATOR
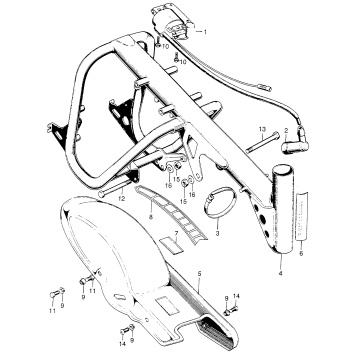
FRAME + REAR FENDER
FRONT FORK K
FUEL TANK K
GEAR CHANGE PEDAL
HANDLEBAR K
SEAT K
TRANSMISSION + KICK STARTER ARM
VALVE + CAMSHAFT
Fuel Your Passion
Parts That Keep You Riding
Edit ride